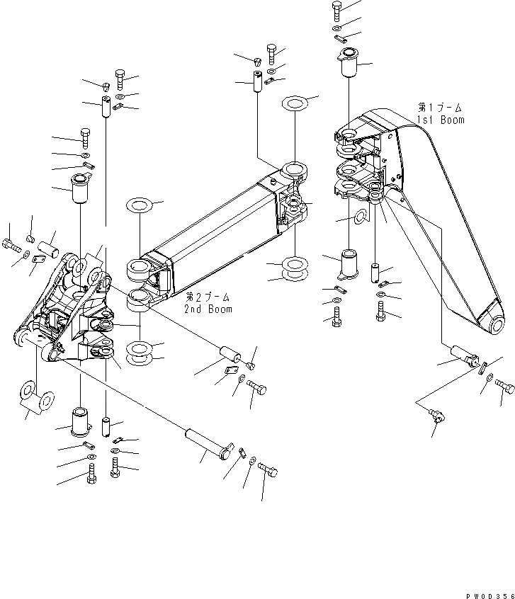
21W-70-21371 Палец
Заказать расчет, стоимость и сроки поставки 21W-70-21371
Применимость запчасти
Всего используется в 12 узлов, посмотреть полную применимостьПрименяется в спецтехнике
- Komatsu
- Дробилки мобильные и перерабатывающее оборудование
- Экскаваторы
Варианты написания артикула
- 21w7021371
- 21W-70-21371
Категории товара
Похожие запчасти
- 20u-70-21371 Палец, 20U-70-21371
- 21w-70-44320 Палец ковшевой, D60 L205 (175), с лепестком, 21W-70-21290, 21W-70-21291
- 23s-65-21371 Кольцо уплотнительное цилиндра подъема резина Komatsu LW250-5X, 23S-65-21371
- 21w-63-02021-kit Ремкомплект 21W-63-02021_kit гидроцилиндра Komatsu 21W-63-02021 Рукоять PC75-UU-1 поршень 90 мм што
- 087-5805 0875805 Палец
- 61n8-31310 Коронка
- 3088577 Палец ковш-рукоять ZХ-200, ZX200-3
- 1u3352 Коронка, шт
- 207-70-14151 Коронка ковша
- 7t9307 Палец 7G0542 6T6659
- 09244-02516 Палец коронки
- 4955337 Поршень (в сборе STD) Cummins 6ISBe 4955337
- 4995266- Поршень дв. Cummins ISF 2,8 4995266
- 205-70-73270 Палец 22U-70-11672
- 09244-02508 Палец коронки
- 3088753 Палец ковш-рукоять ZX-230, ZX240-3
- ec210 Палец Volvo EC210, ковш-рукоять
- 1u3302 Коронка ковша
- 3090417 Палец ковш-рукоять ZX330, ZX330-3
- 7t3408 Палец коронки, шт