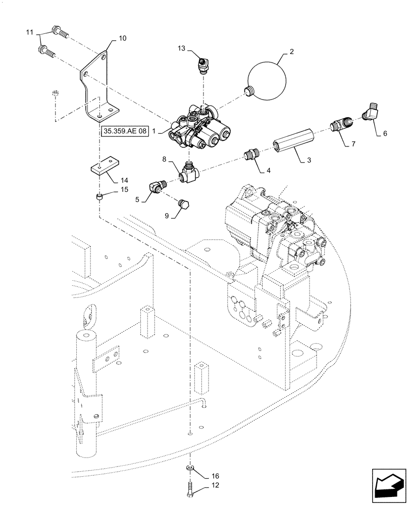
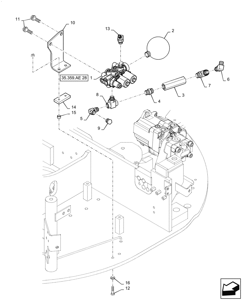
2445r373f1 Гидроаккумулятор 0,3L, 3,1MPA/1,2MPA, M20x1,5 (наруж.), (Kobelco)
Заказать расчет, стоимость и сроки поставки 2445r373f1
Применяется в спецтехнике
- Case
- Погрузчики
Категории товара
Похожие запчасти
- mu70-300 Гидроаккумулятор 0,3L, 3,1MPA/1,2MPA, M20x1,5 (наруж.), (Kobelco), 2445R373F1
- voe17410278 Фильтр 1MPA, 290L/MIN , B20=200, VOE17410278
- 860111768 Датчик давления масла двигателя (до 1Mpa/точность 0.08 Mpa) Y
- 9w3619 Болт башмачный M20 x1.5 x 56.5 B-20.56 (9W3619
- 332-h3679 Гидроаккумулятор тормозной системы (Аналог) 332/H3679 (Гер
- 32213 Подшипник ступичный RR наруж HINO300/500 (E4) 32213/43210-47700/1-09812-129/
- 32307 Подшипник ступичный FR наруж HINO300 32307 / 90366-35023/35031/8-94452-448 S
- 907-08300 Подшипник (аналог) 907/08300 Timken (USA
- 4459548 Ф-р воздушный внутр. ZX-330, -370(P537877
- 4459549 Ф-р возд. внешний ZX-330, -370 P777409
- 9w3361 Гайка 134-32-61221 2009127 20Y-32-31220
- ff5485 Фильтр топливный FF5485
- 134-32-61221 Гайка М20х1,5
- 20y-32-31210 Болт T139614 20Y-32-11210
- st40629ab Фильтр воздушный в сборе
- 154-32-21323 Болт M20X1.5X63
- cf710 Элемент воздушного фильтра CF710 Mann-Hummel (4570055110
- 346-6687 3466687 Фильтр воздушный
- p550391 Фильтр топливный Donaldson
- rs3508 Элемент воздушный RS3508 / 6I0273 ! 162084; 122-1674; 1221674; RS3508