253887a1 Трос вспомогательной системы гидрораспределения Case, 253887A1
Наличие 253887a1 на складах, цены и сроки отгрузки
Артикул
Название
Производитель
Код
Город отгрузки
Срок отгрузки
Наличие
Стоимость
253887a1
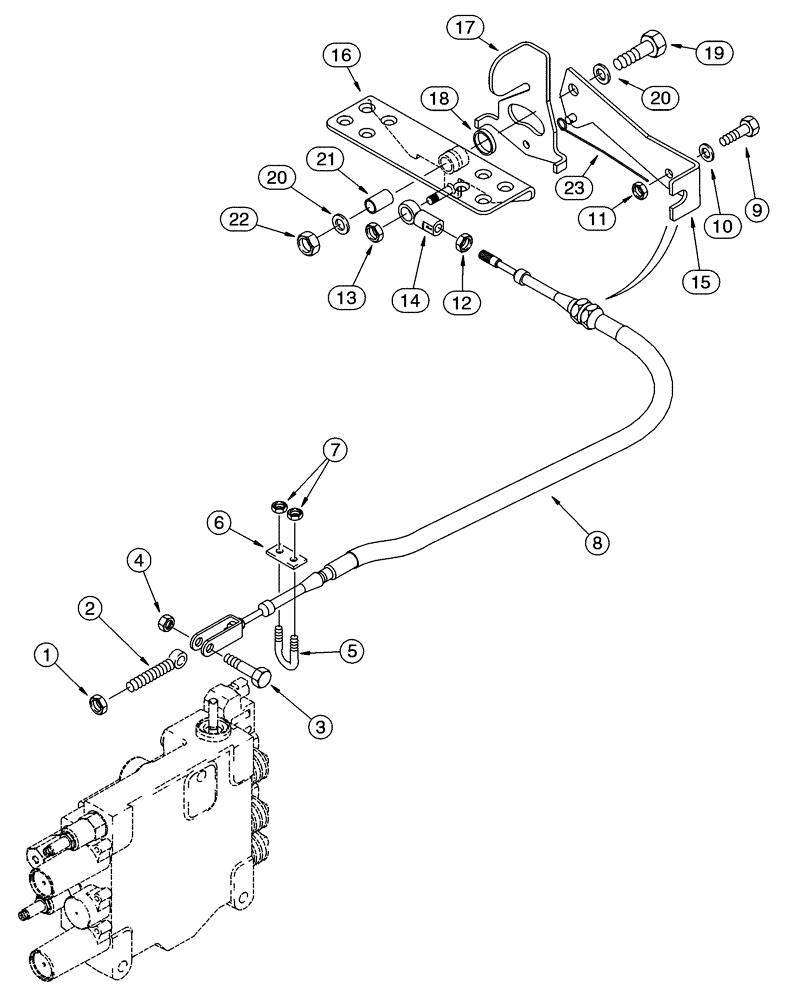
Трос вспомогательной системы гидрораспределения Case, 253887A1
128
СПБ
2-3дня
5 шт.
по запросу
Показать больше
Информация, указанная на сайте, не является публичной офертой, носит справочно-информационный характер, может быть изменена в любое время без предварительного уведомления. Для получения актуальной информации о наличии, стоимости, сроков поставки товаров обращайтесь по адресу zakaz@partsell.ru
Заказать расчет, стоимость и сроки поставки 253887a1
Применимость запчасти
- (09-20) - LINKAGE AUXILIARY SYSTEM, NORTH AMERICAN MODELS -JAF0352233, EUROPEAN MODELS -JAF0352714
- (09-21) - LINKAGE, AUXILIARY SYSTEM, W/PEDAL LOCK IN CENTER OF PEDAL (N.A. -JAF0311356 / EUROPE -JAF0274359)
- (09-20) - LINKAGE, AUXILIARY SYSTEM, MODELS W/PEDAL LOCK ON LEFT HAND SIDE OF PEDAL
- (09-21) - LINKAGE, AUXILIARY SYSTEM, W/PEDAL LOCK IN CENTER OF PEDAL (N.A. -JAF0311356 / EUROPE -JAF0274359)
Категории товара
Похожие запчасти
- 208-32-51112 БАШМАК
- 14332 Шайба ведущей оси вспомогательной коробки КПП Fuller RT-115
- 76792 Фильтр топливный CUMMINS CELECT DAF 95-Serie, 95XF CASE CONSTRUCTION CASE-IH (CNH GL
- a5541m Фильтр воздушный, P828889, AF25557
- p772580 Фильтр воздушный ST40131AB (112) P772580+P775302, P828889+P829333, AF25557+AF25558,
- p775302 Фильтр воздушный ST40131AB (112) P772580+P775302, P828889+P829333, AF25557+AF25558,
- p551000 Фильтр топливный ST20813 (120) P551000, FS1000, 11NB-70010, DIFA 6112, CX544, 316140
- 6684770 Прокладка корпуса шестерен Bobcat 6684770
- 8973831140 Прокладка под охладитель системы EGR
- 600-625-7620 Вентилятор
- lf3000 Фильтр масляный LF3000
- f00rc00647 F00RC00647 bosch патрубок напорной трубы CASE/CUMMINS/KOMATSU (84403334/492986
- 6693-22-5600 Клапан в сборе 6693-22-5610 6693-22-5620
- 248-5513 Термостат 4W4794 1743504
- 1u3452rc Коронка ковша 9W8452RC/1U3452RC LC450RC
- f00rj01831 F00RJ01831 bosch патрубок напорной трубы CASE/CUMMINS/KOMATSU (84403334/492986
- 362-43-34150 Тросик
- 208-03-72630 Патрубок 208-03-71331
- dz95259532203 Радиатор основной аллюминий WP10
- 162000090722 Стартер, 12В 4,2кВт, z9, New Holland T8040, CASE дв. Cummins 6TAA-8304, CASE 2388, JCB