26799980 Подшипник дифференциала CASE
Заказать расчет, стоимость и сроки поставки 26799980
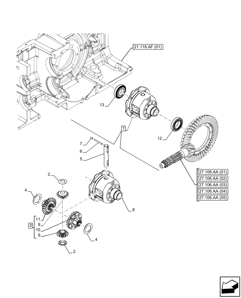
Применимость запчасти
- (27.106.AC[01]) - VAR - 390411 - DIFFERENTIAL
- (25.102.AD[02]) - VAR - 337323, 743560 - FRONT AXLE, DIFFERENTIAL GEAR, W/ MECHANICAL ENGAGEMENT, 4WD, HEAVY DUTY, HI-LO
- (1.40.5/07) - (VAR.326/1-326/2) STANDARD FRONT AXLE W/ ELECTROHYDR. DIFF. LOCK, W/ FRONT BRAKES (30KM/H) - PIPES
- (1.40.8/07) - (VAR.030-031) FRONT HPL W/PTO & BRAKES - FRONT AXLE W/BRAKES (40KM/H) - DIFFERENTIAL
Производители
Категории товара
Похожие запчасти
- 208-32-51112 БАШМАК
- 48100235 Стекло лобовое верхнее (закаленное) на экскаватор Case CX
- khn25610 Стекло лобовое нижнее (закаленное) на экскаватор Case CX 2
- 48100177 Стекло лобовое нижнее (триплекс) на экскаватор Case CX 210 /
- 907-50100 Подшипник дифференциала JCB 907/50100
- 1110010028 1110010028 bosch клапан ограничения давления CUMMINS
- 907-09200 Подшипник дифференциала JCB 907/09200
- b-1190 B-1190_GLOBELT_Ремень приводной гладкий 123037A1
- 450-10900 Дифференциал в сборе JCB 450/10900
- b-1180 B-1180_GLOBELT_Ремень приводной гладкий 17x11x1180, 726278R1, T23505, H29528,
- 30208 Подшипник ступичный 30208/40210-85000/99330-2080 RICH ! 30208; 40210-85000; 40210
- spb-2000 SPB-2000_GLOBELT_Ремень приводной гладкий 17x13x2000, РСМ6201396, 653450.0
- 32208 Подшипник ступичный 32208 J / 40210-76000 / 8-94248-077 / MS556512 NHR86~ SKV 322
- 3151000157 Муфта сцепления в сборе КАМАЗ Cummins 6ISBe 3151000157 1601080-T0802 86CL6
- 30207 Подшипник ступичный передний наружний, КПП HINO 300 30207/9036
- 138654 Корпус дифференциала Carraro 138654-OEM
- c-3350 C-3350_GLOBELT_Ремень приводной гладкий 22x14x3350, 3157994R1
- b-1280 B-1280_GLOBELT_Ремень приводной гладкий 3170159R1, 656349R1, 670339C1, 412978
- 107400 Гайка дифференциала Carraro 107400
- 0928400481 0928400481 bosch дозировочный блок CR CP3