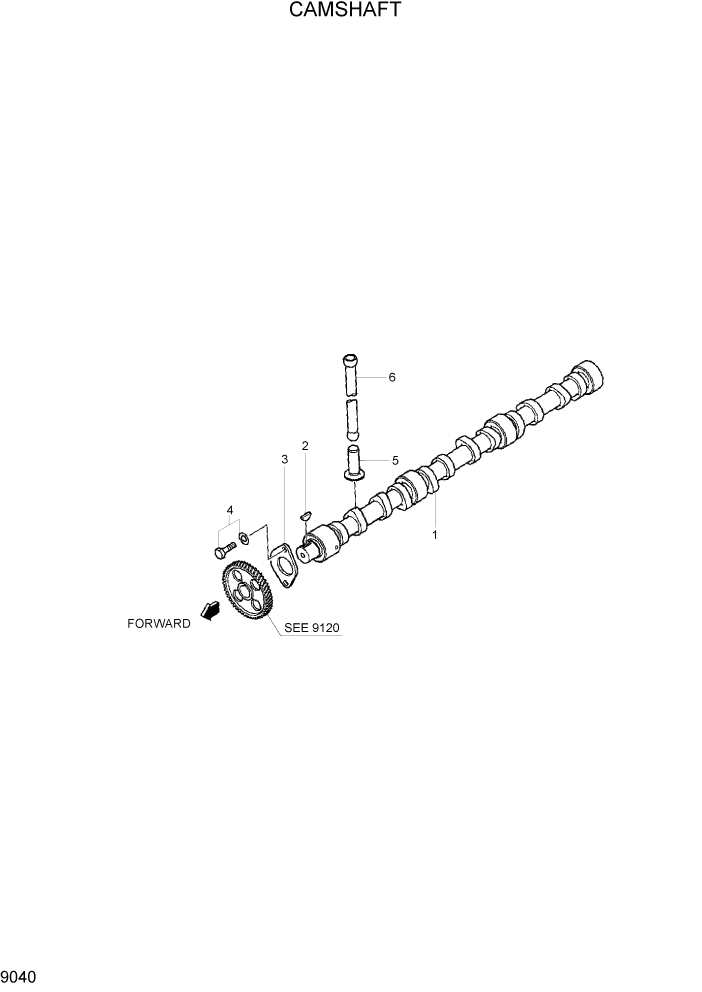
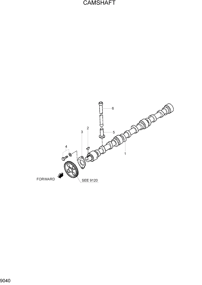
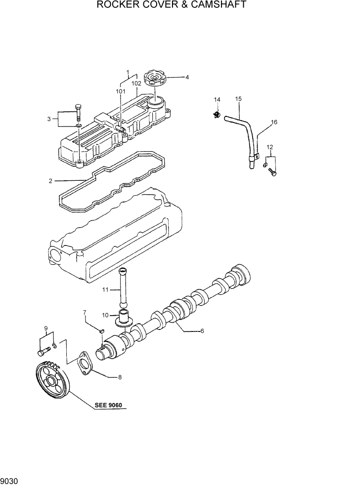
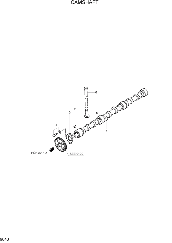
32A05-02101 Толкатель MITSUBISHI
Заказать расчет, стоимость и сроки поставки 32A05-02101
Применимость запчасти
Всего используется в 4 узлов, посмотреть полную применимостьПроизводители
Применяется в спецтехнике
- Hyundai
- Экскаваторы 3/7/9 серии
Варианты написания артикула
- 32a0502101
- 32A05-02101
Категории товара
Похожие запчасти
- 65-02101-7024c Вал коленчатый DE08TIS, Doosan, 65.02101-7540A, 65.02101-7024C, 65.02101-0024N, 65.021
- 65-02101-0024n Вал коленчатый DE08TIS, Doosan, 65.02101-7540A, 65.02101-7024C, 65.02101-0024N, 65.021
- 65-02101-7540a Вал коленчатый DE08TIS, Doosan, 65.02101-7540A, 65.02101-7024C, 65.02101-0024N, 65.021
- 65-02101-0060a Вал коленчатый DE12TIS, Doosan, 65.02101-0060A, 65.02101-0060B, 150107-00187
- 3965966 3965966 Толкатель
- 3947759 Толкатель клапана Cummins 6ISBe 3947759
- 453-5998 Толкатель 453-5998/163-2437/384-4172 (KMP
- 3964715 Штанга толкателя 6ISLe 3964715 3966719
- 320-03524 Толкатель штанги JCB Dieselmax 320/03524
- 5i-7723 Толкатель 5i-7723/096-9569 (KMP
- 3945866 Толкатель клапана Cummins QSC8.3 3945866 851-01-1852
- 6745-41-2100 Толкатель 3965966 / 6745-41-2130
- t420076 Толкатель Perkins T420076
- 32213 Подшипник ступичный RR наруж HINO300/500 (E4) 32213/43210-47700/1-09812-129/
- 6210-41-5620 Крейцкопф блока цилиндров ДВС
- 191916 Толкатель
- 6745-41-3100 Штанга толкателя, C3964715
- 6127-41-2150 Толкатель клапана 6127-41-2104 6127-41-2102 6127-41-2103
- dk134130-8820 Блок плунжера в сборе
- hc-7901 Фильтр гидравлики AGAMA