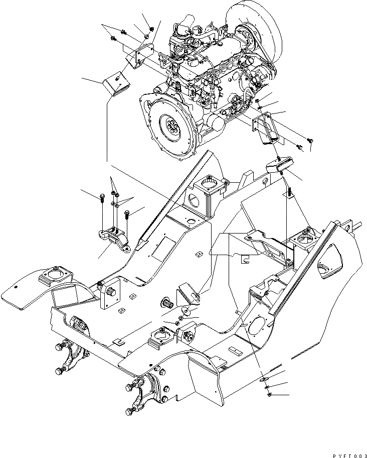
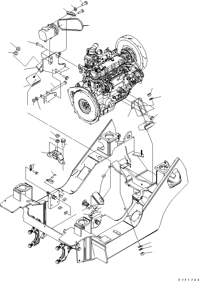
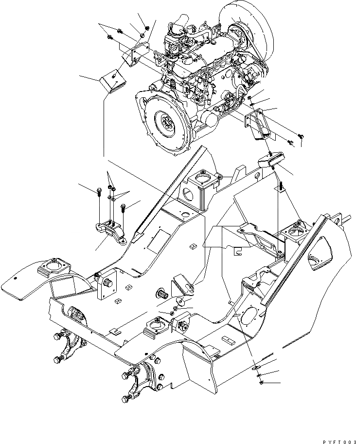
3EB-02-52130 Подушка крепления двигателя, задняя
Наличие 3EB-02-52130 на складах, цены и сроки отгрузки
Артикул
Название
Производитель
Код
Город отгрузки
Срок отгрузки
Наличие
Стоимость
3eb-02-52130
Подушка крепления двигателя, задняя, 3EB-02-52130
AMP
257
Москва
2-3дня
по запросу
2238 ₽
Показать больше
Информация, указанная на сайте, не является публичной офертой, носит справочно-информационный характер, может быть изменена в любое время без предварительного уведомления. Для получения актуальной информации о наличии, стоимости, сроков поставки товаров обращайтесь по адресу zakaz@partsell.ru
Заказать расчет, стоимость и сроки поставки 3EB-02-52130
Производители
Применяется в спецтехнике
- Komatsu
- Погрузчики вилочные
Варианты написания артикула
- 3eb0252130
- 3EB-02-52130
Категории товара
Похожие запчасти
- 3eb-01-51130 Подушка крепления двигателя, 3EB-01-61130, 3EB-01-51131
- 9823758 Подушка монтажная, 3EB-02-52130
- 707-98-52130 Ремкомплект
- 707-98-52130 Ремкомплект
- 118-9933 Подушка двигателя передняя верхняя 118-9933 (IMachinery brand
- 123-06014 Накладка стойки нижняя (Аналог) 123/06014 ARIES (Индия
- 8n-7005 Форсунка
- 2j3506 Гайка
- 09244-02516 Палец коронки
- 3967251 3967251 Датчик давления масла
- 4089478 Комплект прокладок верхний M11
- 6745-11-3102 Форсунка в сборе 0 445 120 236
- 809-00126 Втулка штока г/ц стрелы обратной лопаты 809/00126 (Аналог (JCB
- 0445120199 0445120199 bosch форсунка в сборе CUMMINS (4994541
- dz90149346077 Колодка тормозная в сборе 220 мм DZ90149346077 HanDe Axle
- 320-07580 Прокладка клапанной крышки (Aries) 320/07580
- 14y-71-13211 Шар отвала 14Z-71-33212 14Z-71-33211
- 4995266- Поршень дв. Cummins ISF 2,8 4995266
- 0445120231 0445120231 bosch форсунка CUMMINS (5263262
- 4076930 Датчик давления масла аварийный Cummins ISF2.8, 6ISBe 4076930 4076931