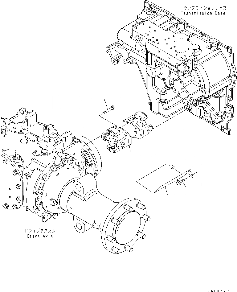
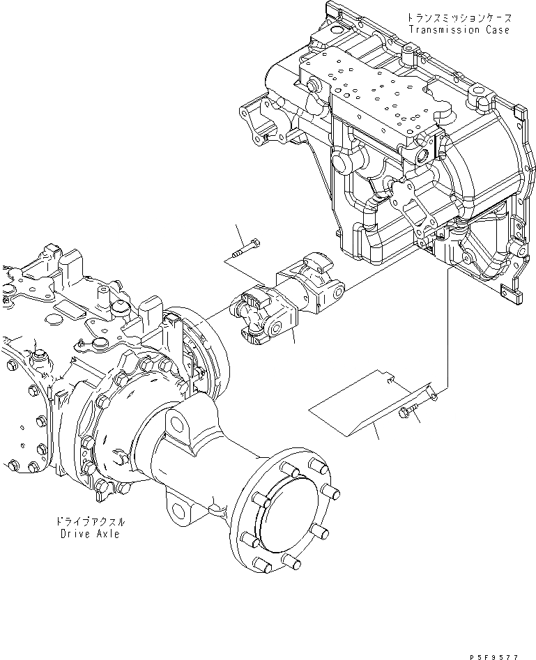
3EC-20-51210 КАРДАННЫЙ ВАЛ, FD35/40/45/50
Наличие 3EC-20-51210 на складах, цены и сроки отгрузки
Артикул
Название
Производитель
Код
Город отгрузки
Срок отгрузки
Наличие
Стоимость
3ec-20-51210
ВАЛ, 3EC-20-51210
Komatsu
147
Магадан
1-2дня
по запросу
126383 ₽
Показать больше
Информация, указанная на сайте, не является публичной офертой, носит справочно-информационный характер, может быть изменена в любое время без предварительного уведомления. Для получения актуальной информации о наличии, стоимости, сроков поставки товаров обращайтесь по адресу zakaz@partsell.ru
Заказать расчет, стоимость и сроки поставки 3EC-20-51210
Применимость запчасти
Всего используется в 12 узлов, посмотреть полную применимостьПрименяется в спецтехнике
- Komatsu
- Погрузчики вилочные
Варианты написания артикула
- 3ec2051210
- 3EC-20-51210
Категории товара
Похожие запчасти
- 570000 Коленчатый вал (1104 крепление шестерни на вал шпонка), 57
- 84216135 Вал отбора мощности (карданый вал), 84216135
- 9887963 Вал насоса Liebherr PR742, 9887963
- 195-15-12532 Вал
- 2049585 Вал редуктора хода, шт
- 6128-51-1033 Вал, масляный насос (6128-51-1033
- 17m-15-42510 ВАЛ
- xkah-00910 Вал-шестерня R210-7 (XKAH-00910), , шт
- 6162-33-1202 Коленвал 6162-33-1201
- 1-405-00121 Вал S9900183 S225LC-V Shimitsu, 1.405-00121/0301700
- 3954099 Вал распределительный Cummins 6ISBe 3954099 3979506 3954100
- 195-38-11211 Ось главная (195-38-11211
- 207-27-71352 Вал
- 3966430 Распредвал, шт
- 708-8f-32121 Вал 708-8F-32120
- 320-03336 Вал коленчатый JCB Dieselmax GENMOT 320/03336-GM
- 6i-6583 Шестерня солнечная (13 зубьев) 6i-6583 (CGR
- 20y-27-31210 Вал
- 24799 Кольцо стопорное (задний приводной вал) Terex / Carraro 24799 / 61
- spb-2360 SPB-2360_GLOBELT_Ремень приводной гладкий 17x13x2360, РСМ6201376, 42400442