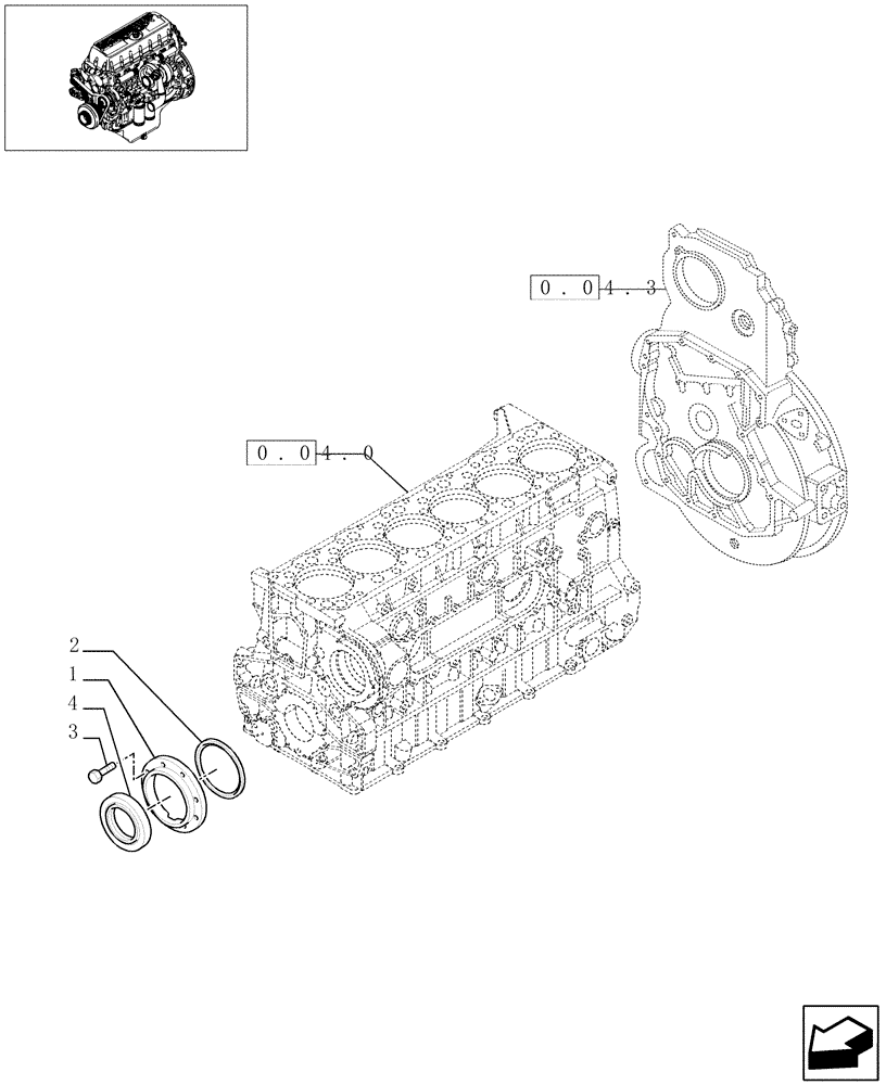
40102683 Сальник коленвала передний, 100х130х14, IVECO
Заказать расчет, стоимость и сроки поставки 40102683
Аналоги 40102683
Производители
Применяется в спецтехнике
Название запчасти
- GASKET
- Сальник коленвала 40101541/40102683 Iveco
- Сальник коленвала 40101541/40102683 Iveco ! 40102683
- Сальник коленвала Iveco
- Сальник коленвала Iveco, 40101541
- Сальник коленвала передний
- Сальник коленвала передний, 100х130х14, IVECO, 40102683
Категории товара
Похожие запчасти
- 98494987 Сальник коленвала задний 140*165*13 (не Cursor) 98467213/98494987/12015780
- 40101541 Сальник коленвала Iveco
- 98467213 Сальник коленвала задний 140x165x13 (не Cursor) Iveco
- 40102693 Сальник коленвала (Cursor) 40102693 Iveco ! 40102693
- 6754-21-6230 Сальник к/в передний
- 6140-21-1341 Сальник коленвала задний 6140-21-1341/ K6140-21-1341 (WG) Komatsu 4D95, 6D95
- 6711-29-3521 Сальник масляный передний 6711-21-3521
- 6735-21-3510 Уплотнение 6731-21-4220 6732-21-3510
- 4955665 Сальник коленвала передний
- 6742-02-1110 Сальник 6742-01-0550 6742-01-0940 6742-01-0950
- 8943992770 8943992770 Вкладыши упорные
- 6732-21-1311 Сальник задний 6732-21-1310 5259499 6136-21-4221 6221-21-4520
- 209-72-11261 Уплотнение
- 205-70-73280 О-кольцо
- 195-50-22151 Сальник 195-50-22231
- 708-1f-12281 Сальник г/мотора
- 6127-31-1293 Втулка коленчатого вала
- 3914118 Болт шкива-демпфера коленвала Cummins ISLE (M14*1.5*60) 3914118
- sz311-01041 Сальник коленвала 116*151*15 SZ31101041/9828-01223/BZ5377-F0 вн.обойма SILI
- 3693669 Сальник коленвала задний дв.Cummins ISF2.8 4946755/5265267 3693669