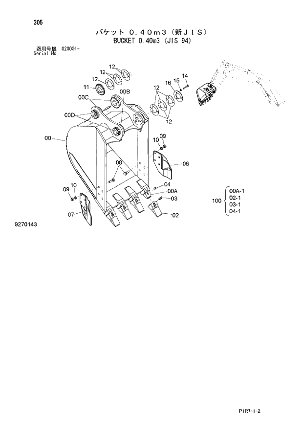
4437279 Втулка
Заказать расчет, стоимость и сроки поставки 4437279
Похожие запчасти
- d138047 Втулка втулка в трапецию CASE (Аналог) D138047
- 4353100 Втулка Hitachi ZX230 (90х105х50) (линк-ковш), 4353100
- 708-2l-23351 Втулка направляющая
- 20y-70-31511 Втулка 20Y-70-31512, 20Y-70-21640 OFM
- 425-70-11871 Втулка 707-76-12041
- 6207-31-3530 Втулка шатуна
- 707-76-10130 Втулка 707-76-10270, 707-76-10290, 707-76-10330
- 07177-01035 Втулка (07177-01035
- 205-70-73180 Втулка Komatsu 205-70-73180
- 6127-21-3131 Втулка привода вентилятора
- 208-70-13141 Втулка 707-76-10140 208-63-76290 208-70-72530 208-70-73510 208-70-72520
- 6732-31-3132 Втулка шатуна 6732-31-3130 6732-31-3131
- 37b-09-57003 Втулка тяги переднего ковша 37B-09-57003 (Аналог (Komatsu 5-сери�
- 208-70-72170 Втулка в сборе (208-70-72520 + 208-70-72511
- 42n-856-5280 Втулка каретки в узел креления пальца штока ГЦ поворо�
- 207-70-72460 Втулка в сборе (207-70-72351 + 207-70-72360
- 20y-70-32351 Втулка 21K-70-32120 21K-70-21820 21K-70-12161
- 808-00388 Втулка JCB 808/00388
- 4438771 Втулка ZX330 ZX330-3
- f00rj02175 F00RJ02175 bosch шайба уплотнительная KHD/MAN