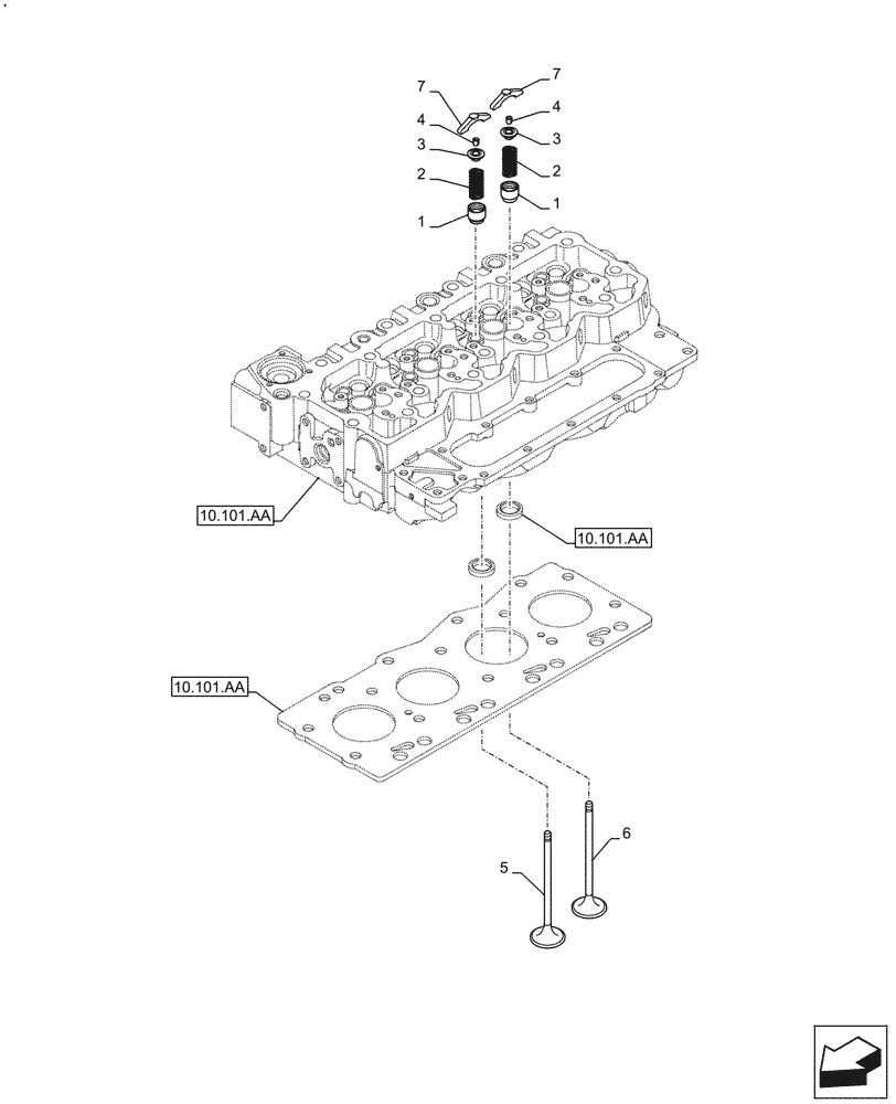
4895051 Клапан выпускной, 3940734, 6754-41-4210, 6754-41-4200, , 3802967
Наличие 4895051 на складах, цены и сроки отгрузки
Артикул
Название
Производитель
Код
Город отгрузки
Срок отгрузки
Наличие
Стоимость
4895051
Выпускной Клапан, Ст, STDEXHAUSTVALVE, (оригинал)
CNH
102
Москва
1-3 дня
по запросу
1678 ₽
Показать больше
4895051
Клапан выпускной CUMMINS/DAF/IVECO/New Holland QSB 4,5L, 4895051
172
Москва
1-2дня
36 шт.
324 ₽
Показать больше
4895051
Выпускной клапан (std), 4895051
193
СПБ
1-2дня
19 шт.
по запросу
Показать больше
Информация, указанная на сайте, не является публичной офертой, носит справочно-информационный характер, может быть изменена в любое время без предварительного уведомления. Для получения актуальной информации о наличии, стоимости, сроков поставки товаров обращайтесь по адресу zakaz@partsell.ru
Заказать расчет, стоимость и сроки поставки 4895051
Производители
Применяется в спецтехнике
- Case
- Двигатели
- Погрузчики
- Строительно-дорожная техника
- Case IH
- Двигатели
- Машины для растениеводства
- Тракторы
- Cummins
- New Holland
Название запчасти
- Клапан выпускной IVECO F4AE0681, CUMMINS ISF3.8, 7x33x124.3
- Клапан выпускной, 3940734, 6754-41-4210, 6754-41-4200, 4895051, 3802967
Категории товара
Похожие запчасти
- 02233601 Фильтр воздушный DAF BUS (VDL BUS GROUP) DAF TRUCKS IVECO IVECO (FIAT) IVECO (MAGIRU
- mmf015423 Фильтр воздушный DAF BUS (VDL BUS GROUP) DAF TRUCKS IVECO IVECO (FIAT) IVECO (MAGIRU
- p771508 Фильтр воздушный
- 20vx682 Клапан выпускной Cummins 7x33x124.3, 3940734
- 0445120236 Форсунка
- 3903652 Хомут выпускного патрубка ТКР Cummins 6ISBe 3903652
- 4891252 Насос водяной Cummins 6ISBe 4891252 3800984 3285410
- 1110010028 1110010028 bosch клапан ограничения давления CUMMINS
- 3904166 Гильза цилиндра
- 0445120054 0445120054 bosch форсунка CR IVECO (504091504
- 4893693 Вкладыш шатунный стандарт нижний Cummins 6ISBe 4893693
- 4988820 Блок управления двс Cummins ISLe,ISBe,ISDe,B3.3,QSB Eвро-3 4943133 4988820 4988
- 0433175510 0433175510 bosch распылитель DSLA128P5510 CUMMINS
- 0445120075 0445120075 bosch форсунка CR IVECO
- 3955393 Маслосъемные колпачки
- 0928400481 0928400481 bosch дозировочный блок CR CP3
- 3969562 3969562 Вкладыш шатун
- k36-87-01 Турбокомпрессор K36-87-01
- 8099205 Вкладыши шатунные (пара, на одну шейку)Iveco 8099205
- 3954099 Вал распределительный Cummins 6ISBe 3954099 3979506 3954100