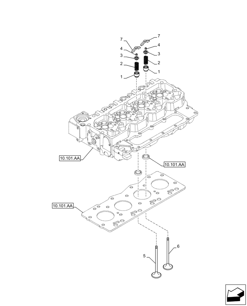
4895074 Колпачок
Наличие 4895074 на складах, цены и сроки отгрузки
Артикул
Название
Производитель
Код
Город отгрузки
Срок отгрузки
Наличие
Стоимость
4895074
Тарелка, 4895074
Iveco
121
Уфа
1-3 дня
16 шт.
по запросу
Показать больше
4895074
Колпачок, 4895074
193
СПБ
1-2дня
19 шт.
по запросу
Показать больше
Информация, указанная на сайте, не является публичной офертой, носит справочно-информационный характер, может быть изменена в любое время без предварительного уведомления. Для получения актуальной информации о наличии, стоимости, сроков поставки товаров обращайтесь по адресу zakaz@partsell.ru
Заказать расчет, стоимость и сроки поставки 4895074
Производители
Похожие запчасти
- 3070072 Тарелка клапана нижняя
- 9461614270 ТАРЕЛКА ПРУЖИНЫ BOSCH
- 3102095 Направляющая клапана Cummins 6ISBe, 6ISDe, ISBe220-31 3102095
- 175-15-42920 Тарелка
- 1w-5300 Колпачок маслосъемный 8N7781 4432659
- 3943198 Тарелка пружины клапана Cummins 6ISBe ISDe ISF3 8 3943198
- 134-4483 Тарелка пружины клапана 134-4483 (KMP
- 175-15-42721 Фрикционная пластина
- 6n-7175 Держатель клапана
- 4976168 Тарелка пружины клапана ель дв.Cummins ISF 2,8 4976168
- 6i-0928 Тарелка клапана 6i-0928 (KMP
- 3901117 Клапан впускной дв.Cummins 6ВТ/4ВТ3901117/4995554 3920867
- 195-30-17960 Седло
- 6210-41-4510 Седло
- 320-03689 Верхняя тарелка клапанной пружины (JCB
- 241-8384 Тарелка пружины клапана впускного 241-8384 (KMP
- 186-2001 Сальник клапана (ротокойл) 186-2001 (CTP
- 281-15-12720 Пластина
- 5i-7625 Тарелка клапана 5I-7625 (KMP
- 133-5037 Тарелка пружины клапана 133-5037 (CTP