600312 Стартер
Наличие 600312 на складах, цены и сроки отгрузки
Артикул
Название
Производитель
Код
Город отгрузки
Срок отгрузки
Наличие
Стоимость
600312
Стартер
Valeo
102
Москва
1-3 дня
по запросу
28947 ₽
Показать больше
Информация, указанная на сайте, не является публичной офертой, носит справочно-информационный характер, может быть изменена в любое время без предварительного уведомления. Для получения актуальной информации о наличии, стоимости, сроков поставки товаров обращайтесь по адресу zakaz@partsell.ru
Заказать расчет, стоимость и сроки поставки 600312
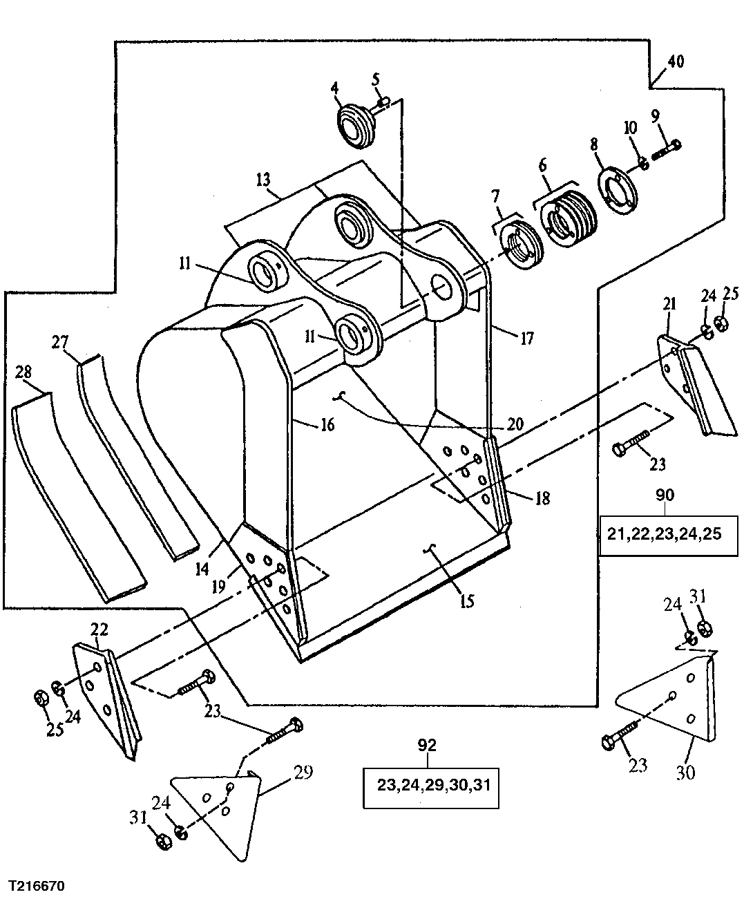
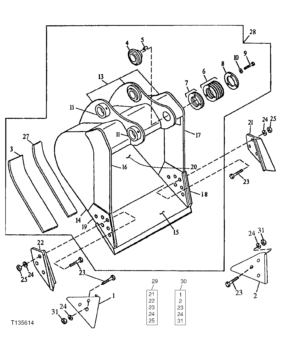
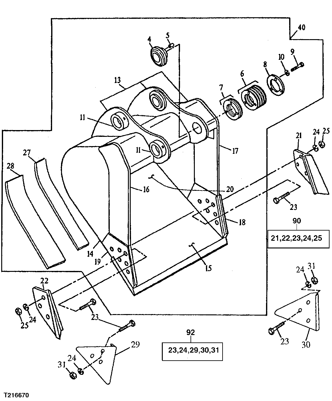
Применимость запчасти
- 22 - HEAVY DUTY BUCKET (FOR USE WITH 310 SERIES TEETH)
- 202 - HEAVY DUTY BUCKET (FOR USE WITH 310 SERIES TEETH)(ALSO ORDER BUCKET TOOTH ASSEMBLIES)
- 247 - HEAVY DUTY BUCKET (FOR USE WITH 400 SERIES TEETH)(ALSO ORDER BUCKET TOOTH ASSEMBLIES)
- 197 - Heavy Duty Bucket (Also Order Bucket Tooth Assemblies) (For Use With 400 Series Teeth)
Производители
Применяется в спецтехнике
- John Deere
- Экскаваторы
Похожие запчасти
- 986010040 СТАРТЕР 12V 08 KW BOSCH
- 0986011520 Стартер
- dsn2054 Стартер
- 600-863-5711 Стартер 7,5Kw 24V 12 TEETH 600-863-5910
- 600-863-8111 Стартер
- 600-863-4110 Стартер
- 600-813-8110 Стартер
- 600-813-4411 Стартер 3,5Kw 24V 9 TEETH 600-813-4410
- 6685190 Стартер BOBCAT 6685190 Krauf
- 600-813-9511 Стартер 11кВт 11зубов, 600-813-8110, 600-813-3962, 600-813-2724, 600-813-9511, 600-8
- 600-813-2741 Стартер 600-813-2753
- 3957593 Стартер 24V 4.5KW Cummins 6BTА 3957593 4996707 3922474
- 600-813-9322 Стартер
- 600-863-4210 600-863-4210 Стартер
- 600-813-2753 Стартер ST-14-3275-P
- 600-813-8320 Стартер 600-813-9350, 600-813-8310
- 5266969- Стартер дв.Cummins ISF2,8 5266969/5295576/5340730/5311304
- 2873k632 Стартер 2873K632-Krauf
- 4992135 Стартер редукторный Евро-3 24V 6kW (10з/D=39) Cummins 6ISBe 4992135 M93R3026
- 115776 Шайба Carraro 115776-OEM