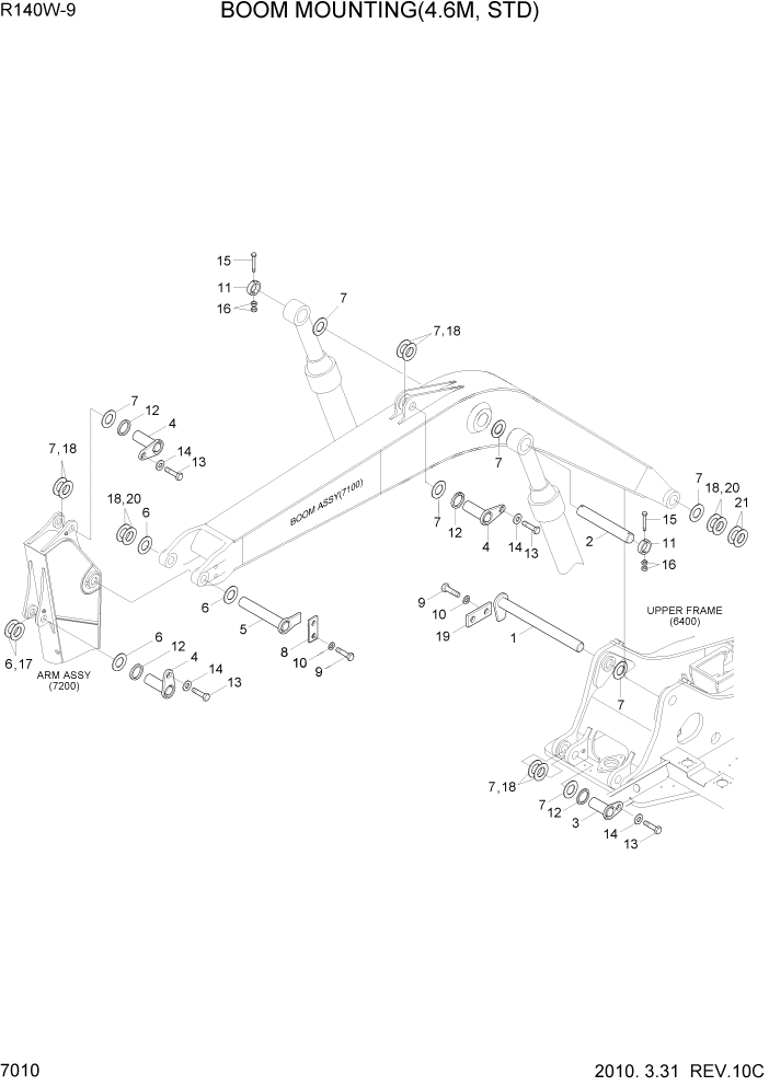
62N4-08100 Шайба проставочная
Заказать расчет, стоимость и сроки поставки 62N4-08100
Применяется в спецтехнике
- Hyundai
- Экскаваторы 3/7/9 серии
Варианты написания артикула
- 62n408100
- 62N4-08100
Похожие запчасти
- 62n4-08120 Шайба проставочная, 62N4-08120
- 62n4-08310 Шайба 62N4-08310, Hyundai
- 62n4-08000 Шайба
- 62n4-08300 Уплотнительное кольцо
- f00vc17503 F00VC17503 bosch шайба форсунки (1.5мм
- 166-1486 Шайба
- 166-1489 Шайба
- 115776 Шайба Carraro 115776-OEM
- 823-10270 Шайба 71x150x6.05 (аналог) 823/10270 ARIES (Индия
- 207-70-24210 Прокладка регулировочная
- 819-00049 Шайба JCB 3cx 1.4мм 819/00049, , шт
- 7t3408 Палец коронки, шт
- 093-0074 Шайба 093-0074 (CTP
- 207-70-11350 Шайба
- 5290486 Кольцо форсунки медное F00VC17503 дв.Cummins ISF 2.8 ель Бизнес 5290
- 207-70-24190 Шайба регулировочная
- 123-06012 Кольцо JCB 123/06012
- 5288374 Кольцо форсунки медное дв.Cummins ISF3.8 5288374
- 01643-32060 Шайба катка поддерживающего
- 5262030 Прокладка повышающая трение дв.Cummins ISF 2.8 5262030