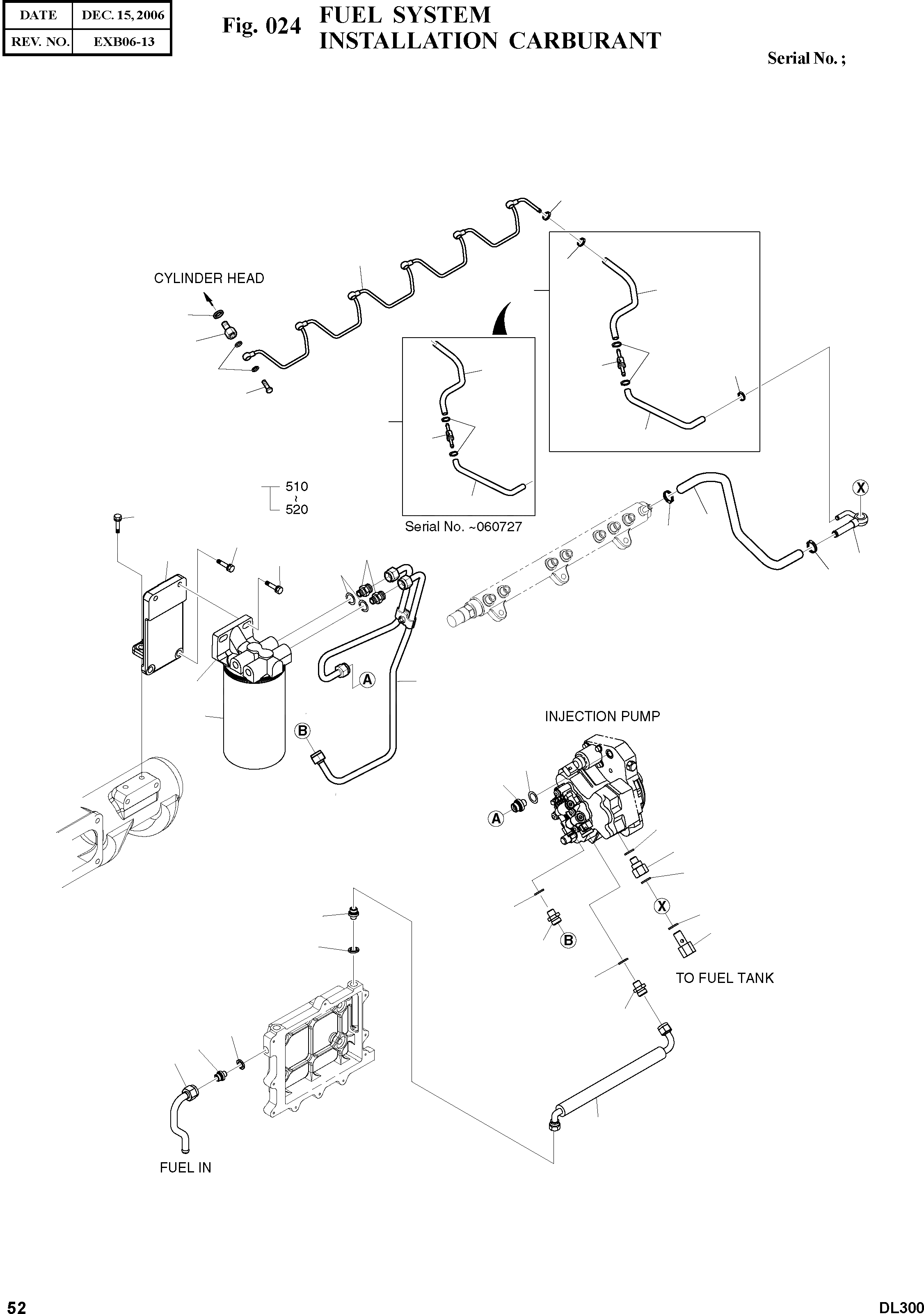
65.12503-5020B Фильтр топливный CX1015, CRF1016
Заказать расчет, стоимость и сроки поставки 65.12503-5020B
Применимость запчасти
Всего используется в 4 узлов, посмотреть полную применимостьПрименяется в спецтехнике
Варианты написания артикула
- 65125035020b
- 65.12503-5020B
Категории товара
Похожие запчасти
- uc4036 Фильтр топливный CX1015, CRF1016, 65.12503-5020B, 65.12503-5033, 65.05510-5026, P40050800035
- p40050800035 Фильтр топливный CX1015, CRF1016
- 6212-72-5440 ТРУБКА, 6212-72-5440
- 07102-20407 РВД Komatsu 07102-20407
- 384-8612 Подкачивающий топливный насос
- 320-a7161 Насос подкачки топлива (JCB) Оригинал 320/A7161 , 320/07037
- 095420-0260 Клапан топливной рейки Е3
- 3090942 ТНВД Евро-3 M11 3090942, 3075340, 3417677, 3041800, 3060492
- 4645227 Топливный насос (ТННД), 8980093970, 8980093971, шт
- ulpk0041 Насос подкачивающий электрический Perkins ULPK0041
- 6745-71-1170 Топливный насос 3973228
- 0445020122 0445020122 bosch топливный насос высокого давления CUMMINS (5256607
- 137-5541 Топливоподкачивающий насос
- 4w-5479 Насос
- 0445020119 0445020119 bosch топливный насос высокого давления CUMMINS/EL (4990601
- 4076956 Насос топливный (ТНВД) KTA-19 (БЕЛАЗ) 4076956 3086405
- 0445020150 0445020150 bosch топливный насос высокого давления CUMMINS (5264248)(0445020045
- 4988747 Насос топливоподкачивающий Cummins 6ISBe 3415661 4988747 3936316 851-01-0255
- bh6p120 Плунжерная пара ТНВД ДВС D9-220 BH6P120/ВН6Р120.12
- 319-0678 Гидравлический насос управления форсунками 319-0678/319-0677/476-8769/10R-8900/254-4358/10R-8899/ 3