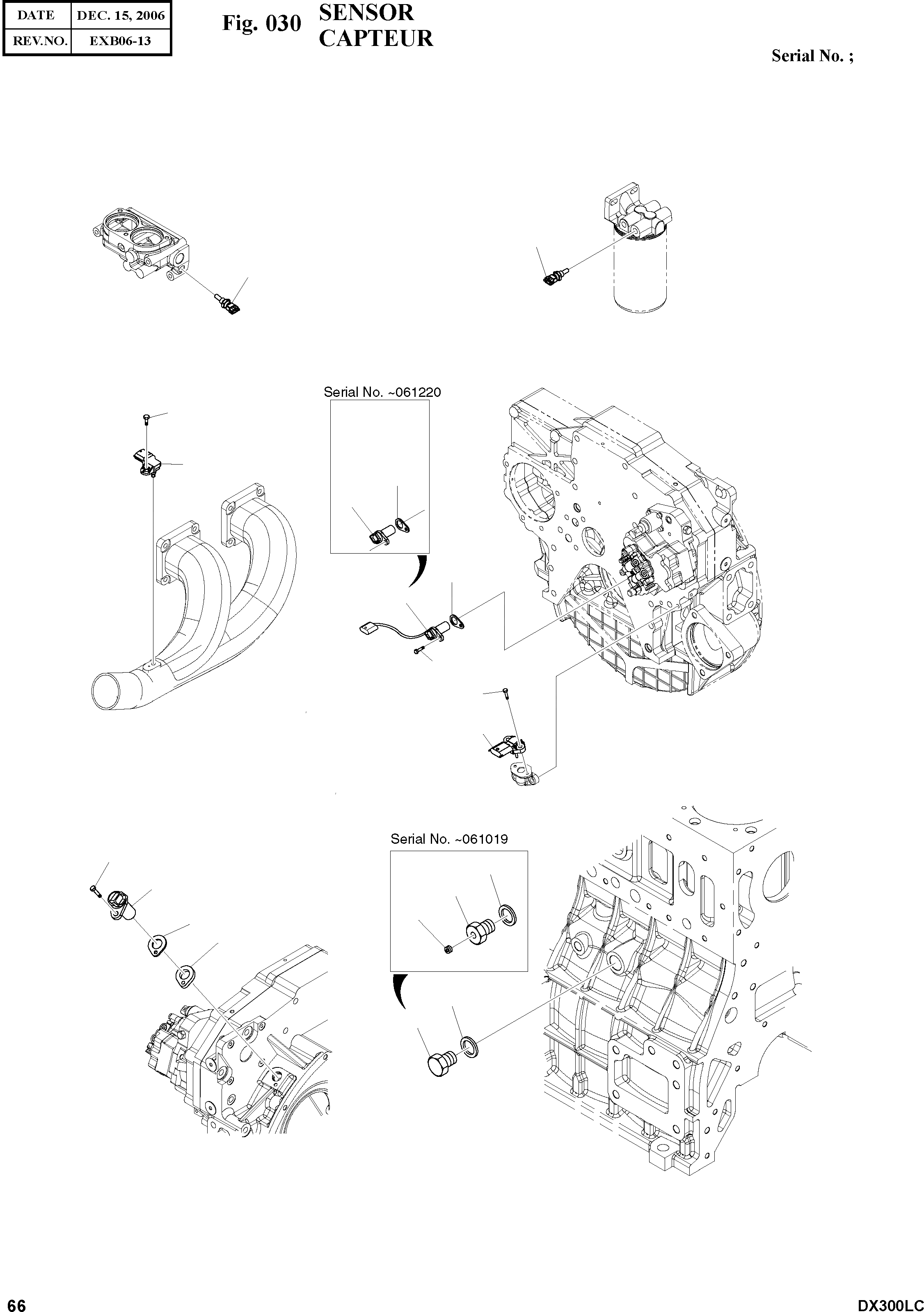
65.27444-7001 Датчик, 65274447001, 0281002576, 320/05558
Наличие 65.27444-7001 на складах, цены и сроки отгрузки
Артикул
Название
Производитель
Код
Город отгрузки
Срок отгрузки
Наличие
Стоимость
6527444-7001
Датчик, 65274447001, 0281002576, 320/05558
119
Владивосток
2-3 дня
6 шт.
3000 ₽
Показать больше
6527444-7001
Датчик, 65.27444-7001
Doosan
120
Москва
2-3 дня
4 шт.
5500 ₽
Показать больше
Информация, указанная на сайте, не является публичной офертой, носит справочно-информационный характер, может быть изменена в любое время без предварительного уведомления. Для получения актуальной информации о наличии, стоимости, сроков поставки товаров обращайтесь по адресу zakaz@partsell.ru
Заказать расчет, стоимость и сроки поставки 65.27444-7001
Применимость запчасти
Всего используется в 16 узлов, посмотреть полную применимостьПроизводители
Применяется в спецтехнике
Варианты написания артикула
- 65274447001
- 65.27444-7001
Похожие запчасти
- 4250260 Датчик
- 8121468300 Датчик температуры входящего воздуха 8-12146-830-0 4HK1/4JJ1 E-3 N
- 2159-20102300 Датчик импульсный L=25мм 2159.20102301 Continental VDO (2159.20102300
- 08620-00000 Датчик 198-06-11941 198-06-11942
- 6674315 Датчик давления масла двигателя BOBCAT 6674315
- 6754-72-1220 Датчик 6754-72-1221
- 600-311-3722 Датчик 600-311-3680 600-311-3720 600-311-3721 600-311-3681
- 6754-72-1211 6754-72-1211 Датчик
- 500351609 Датчик давления масла 500351609 Iveco Orig ! 500351609
- 7861-92-5810 Датчик
- 8971256011 Датчик температуры
- 6754-72-1210 Датчик 6754-72-1211 6754-72-1212
- 7861-93-3320 Датчик
- 206-06-61130 Датчик
- 4921517 4921517 Датчик
- 4436535 Датчик давления, GB-410, LB-A4016, шт
- 7861-93-4520 Датчик
- 3967251 3967251 Датчик давления масла
- 8-98023-581-0 Датчик температуры топлива ТНВД 8-98023-581-0/8-97216-283-0/8-97238-596
- 0281006326 0281006326 bosch датчик давления CUMMINS (5301141