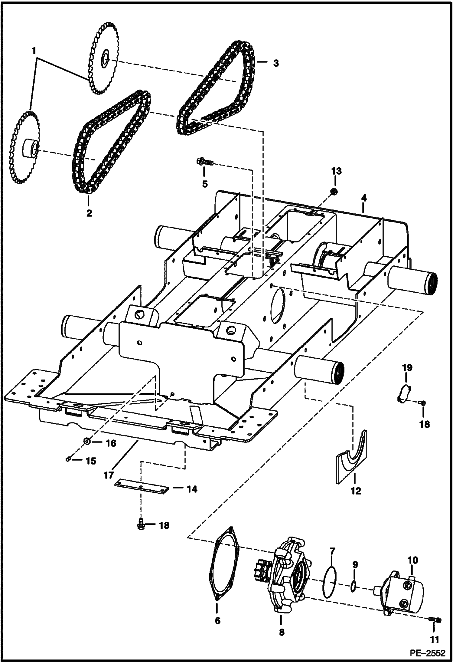
6689651 Цепь приводная (62 звена), передняя BOBCAT
Заказать расчет, стоимость и сроки поставки 6689651
Применимость запчасти
Всего используется в 61 узлов, посмотреть полную применимостьПрименяется в спецтехнике
- Bobcat
- Погрузчики
Название запчасти
- CHAIN, DRIVEX 62 pitch - hour glass shape link - Tsubaki
- CHAIN, DRIVEX service - 62 pitch
- Цепь приводная (62 звена), передняя BOBCAT 6689651
- Цепь приводная (62 звена), передняя BOBCAT, 6689651
Похожие запчасти
- 6689649 Цепь приводная (58 звеньев), задняя BOBCAT 6689649
- 0aw331301b ПРИВОДНАЯ ЦЕПЬ
- 1686401026 МУФТА ПРИВОДНАЯ BOSCH
- 14u-32-00010 Цепь гусеничная смазываемая 42 звена
- 6674401 Фара передняя левая BOBCAT 6674401
- 6674400 Фара передняя левая BOBCAT 6674400
- 6688439 Контроллер (2-х разъемный) BOBCAT 6688439
- 195-32-61350 Болт KL028-00-51
- 195-32-31241 Болт башмачный, замыкающего звена M27 х 1,5 L152 (195-32-31241
- 195-32-22170 Втулка (KM434
- 9250500 Цепь гусеничная (49L), 81N6-26600, 20Y-32-00023, 20Y-32-00024, шт
- 6734662 Палец, конус BOBCAT 6734662
- 6685520 Термостат BOBCAT 6685520
- 6646781 Переключатель сигнала заднего хода BOBCAT 6646781
- 6675176 Переключатель печки BOBCAT 6675176
- 6689638 Подшипник (наружная обойма) BOBCAT 6689638
- 6684780 Прокладка крышки клапанов BOBCAT 6684780
- 6678205 Генератор 90А BOBCAT 6678205 Krauf
- 6729776 Стекло лобовое с отверстием под стеклоочиститель (зак
- 6i9668 Цепь гусеничная 39 зв., с жидк. смазкой, без башмаков (6I966