6707180 Палец
Наличие 6707180 на складах, цены и сроки отгрузки
Артикул
Название
Производитель
Код
Город отгрузки
Срок отгрузки
Наличие
Стоимость
6707180
Палец, 6707180
208
Москва
2-3дня
8 шт.
по запросу
Показать больше
Информация, указанная на сайте, не является публичной офертой, носит справочно-информационный характер, может быть изменена в любое время без предварительного уведомления. Для получения актуальной информации о наличии, стоимости, сроков поставки товаров обращайтесь по адресу zakaz@partsell.ru
Заказать расчет, стоимость и сроки поставки 6707180
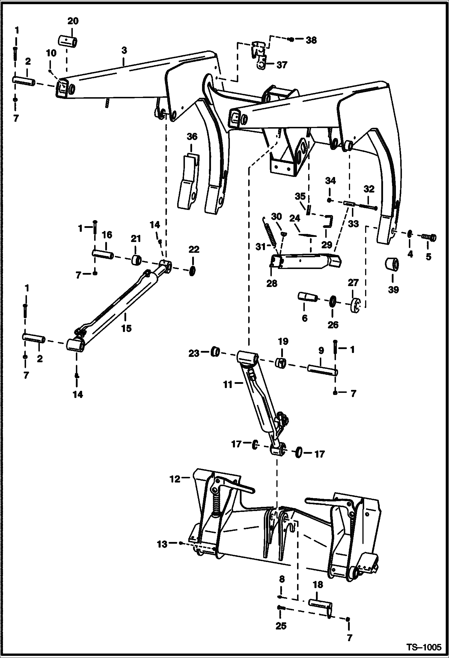
Применимость запчасти
Всего используется в 10 узлов, посмотреть полную применимостьПрименяется в спецтехнике
- Bobcat
- Погрузчики
Категории товара
Похожие запчасти
- 811-90478 Палец креп. штока г/ц открытия/закрытия челюсти перед.
- 252100628 Гидроцилиндр стрелы правый LW500 L=1100 ( D=80 под палец, D=70 по
- 811-50398 Палец JCB 811/50398, 811/90478
- 811-20061 Палец JCB 3cx 811/20061, , шт
- 207-70-14151 Коронка ковша
- 09244-02516 Палец коронки
- 09244-02508 Палец коронки
- 087-5805 0875805 Палец
- 3088577 Палец ковш-рукоять ZХ-200, ZX200-3
- 61n8-31310 Коронка
- 1u3302 Коронка ковша
- 7t9307 Палец 7G0542 6T6659
- 9w8452 Коронка ковша 9W8452 3
- 205-70-73270 Палец 22U-70-11672
- 3088753 Палец ковш-рукоять ZX-230, ZX240-3
- 9w8552 Коронка ковша 9W8552
- 4955337 Поршень (в сборе STD) Cummins 6ISBe 4955337
- 7t3408 Палец коронки, шт
- 8e6358 Палец коронки, шт
- 3090417 Палец ковш-рукоять ZX330, ZX330-3