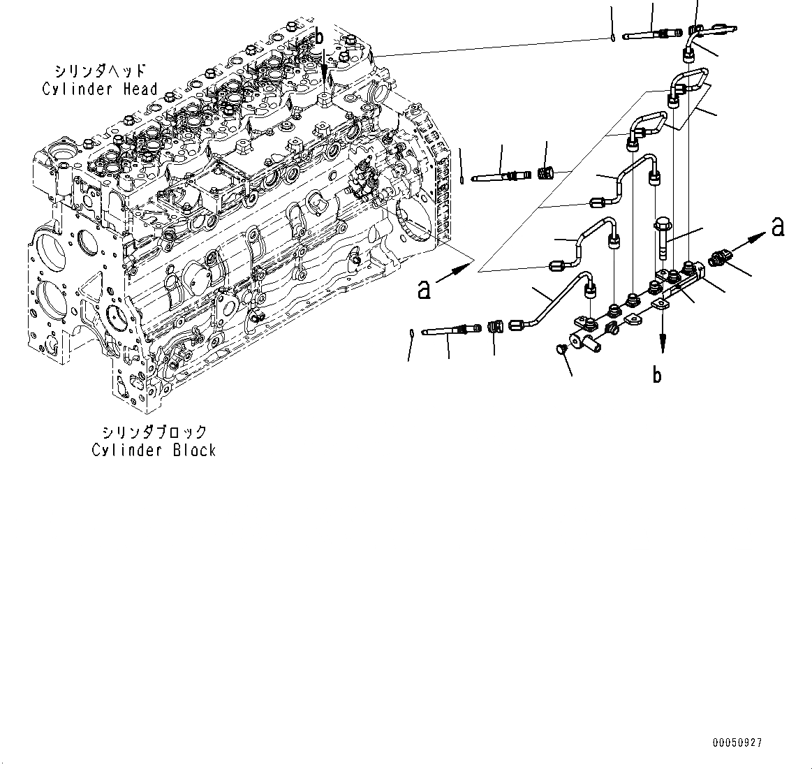
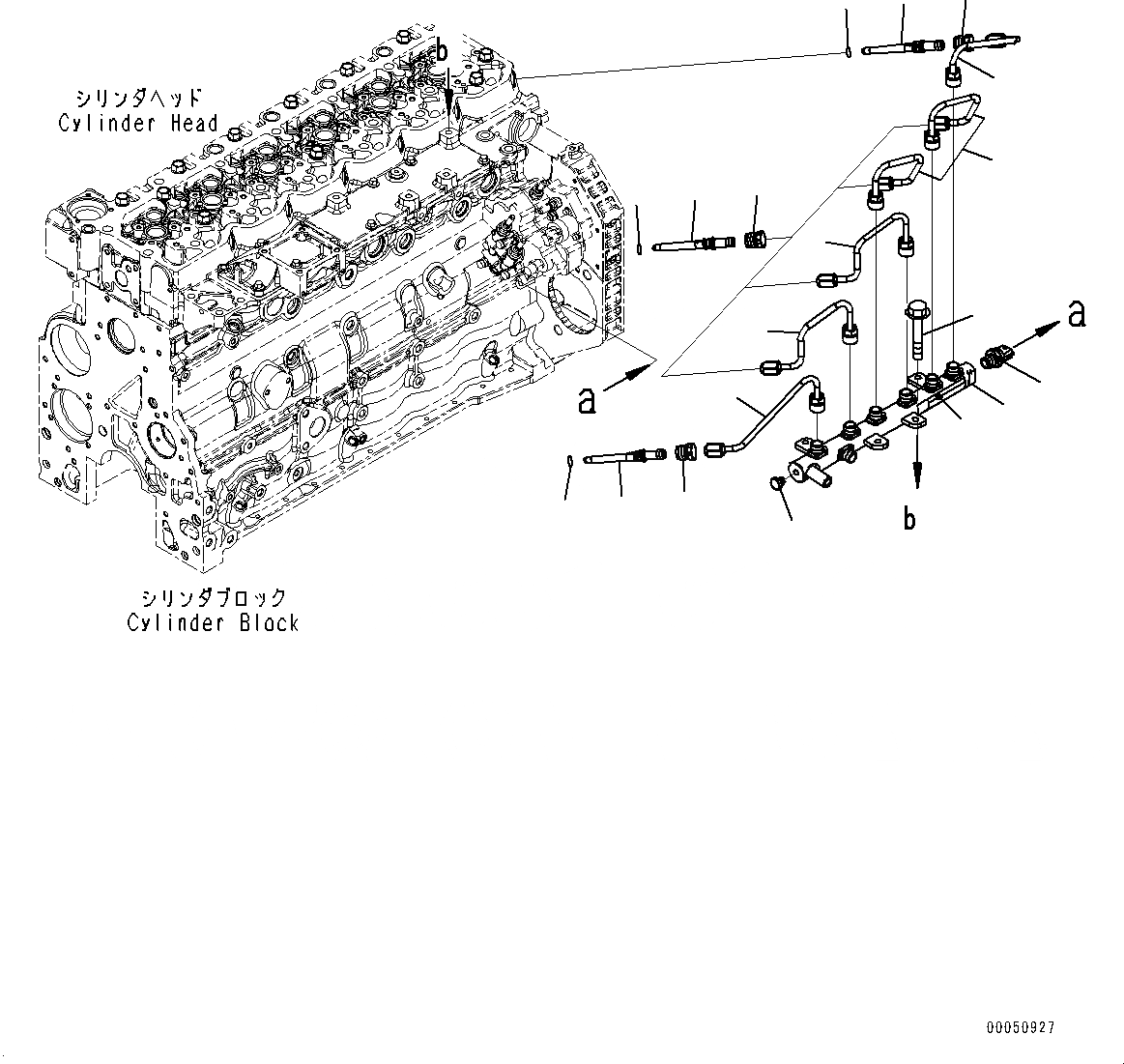
6754-72-1211 Датчик давления топливной рампы, 6745-71-4320, 6754-72-1210, , 6754-72-1212, 3974092, 2831362, 5260246, 5297641, 281006112, 281002851, 281002937, 0281006053, 0281002921, 0281006325, 87727942, 8099063, 5127421022
Наличие 6754-72-1211 на складах, цены и сроки отгрузки
Артикул
Название
Производитель
Код
Город отгрузки
Срок отгрузки
Наличие
Стоимость
6754-72-1211
6754-72-1211 Датчик
BLK Diesel
55
Долгопрудный
2-3 дня
4 шт.
5695 ₽
Показать больше
6754-72-1211
Датчик давления топливной рампы KOMATSU PC200/ PC220/ PC240/ PC270, D65, WA380, WA430, 6754-72-1211, 3974092, 0281006425, 2831362, 5260246, 0281006112, 0281002851, 0281002937, 0281006364
119
Владивосток
2-3 дня
по запросу
6500 ₽
Показать больше
6754-72-1211
Датчик, 6754-72-1211
Komatsu
120
Москва
2-3 дня
2 шт.
6000 ₽
Показать больше
6754-72-1211
Датчик давления топливной рампы, Komatsu SAA6D114E-3, SAA6D107E-1, PC300-8, PC200-8, 6754-72-1210, 6754-72-1211, 6754-72-1212, 6754-72-1213, 6754-72-1214
Original
263
Чебоксары
1-2дня
по запросу
10440 ₽
Показать больше
6754-72-1211
ДАТЧИК Komatsu, 6754721211
Blumaq
289
Санкт-Петербург
2-3дня
8 шт.
5742 ₽
Показать больше
6754-72-1211
Датчик давления рампы, 6D114-3, PC300-8, 6D107E-1, 4D107E-1, 6D114E-3, 6CT, ISF3.8, QSB 4.5, ISF2.8, QSB6.7, QSB 5.9, 4ISBe, 6ISBe, 6754-72-1211, 6754-72-1210, 6754-72-1212, 3974092, 3949988
319
Хабаровск
3 шт.
5670 ₽
Показать больше
6754-72-1211
Датчик давления
CH
192
Москва
1-2дня
26 шт.
по запросу
Показать больше
Аналоги и возможные замены
3974092
Датчик давления топлива на топливную рампу CUMMINS ISF3.8 ISBe ISLe, 5260246, 0281002851
Foton
205
Москва
1-2дня
5 шт.
4484 ₽
Показать больше
3974092
Датчик топливной рампы cummins, 5297641, 2831362, 5260246, 0281006112, 0281002851, 0281002937
222
Благовещенск
1-2дня
по запросу
2500 ₽
Показать больше
3974092
Датчик давления Cummins, 3974092
CH
223
Москва
2-3дня
14 шт.
4388 ₽
Показать больше
3974092
Датчик давления топлива 0281006325 / 5260246
Bosch
187
Москва
1-2дня
8 шт.
3200 ₽
Показать больше
3974092
Датчик давления топлива в рампе (ISL, QSL), 3974092
PRC
217
Санкт-Петербург
1-2дня
по запросу
4290 ₽
Показать больше
3974092
Датчик давления топливной рампы, Cummins QSC8.3, QSL, QSB6.7, 5260246, 5297641, 3949988
Original
263
Чебоксары
1-2дня
10 шт.
5940 ₽
Показать больше
3974092
Датчик давления рампы, 6D114-3, PC300-8, 6D107E-1, 4D107E-1, 6D114E-3, 6CT, ISF3.8, QSB 4.5, ISF2.8, QSB6.7, QSB 5.9, 4ISBe, 6ISBe, 6754-72-1211, 6754-72-1210, 6754-72-1212, 3974092, 3949988
319
Хабаровск
3 шт.
5670 ₽
Показать больше
6754-72-1210
Датчик 6754-72-1211 6754-72-1212
BOSCH
57
Щелково
2-3 дня
2 шт.
6251 ₽
Показать больше
6754-72-1210
Датчик давления топливной рампы, Komatsu SAA6D114E-3, SAA6D107E-1, PC300-8, PC200-8, 6754-72-1210, 6754-72-1211, 6754-72-1212, 6754-72-1213, 6754-72-1214
Original
263
Чебоксары
1-2дня
по запросу
10440 ₽
Показать больше
6754-72-1210
ДАТЧИК Komatsu, 6754721210
Blumaq
289
Санкт-Петербург
2-3дня
8 шт.
5742 ₽
Показать больше
6754-72-1210
Датчик давления рампы, 6D114-3, PC300-8, 6D107E-1, 4D107E-1, 6D114E-3, 6CT, ISF3.8, QSB 4.5, ISF2.8, QSB6.7, QSB 5.9, 4ISBe, 6ISBe, 6754-72-1211, 6754-72-1210, 6754-72-1212, 3974092, 3949988
319
Хабаровск
3 шт.
5670 ₽
Показать больше
6754-72-1210
Датчик давления топлива, 6D107, Komatsu PC200-8, 6754-72-1210
319
Хабаровск
3 шт.
7980 ₽
Показать больше
6754-72-1212
Датчик давления 6754-72-1212
KMP
102
Москва
1-3 дня
4 шт.
7626 ₽
Показать больше
6754-72-1212
Датчик, 0 281 006 325, 6754-72-1210, 0281006364
CMP
212
Чебоксары
1-2дня
5 шт.
5931 ₽
Показать больше
6754-72-1212
Датчик давления, 6754-72-1212
KMP
65
Москва
2-3 дня
4 шт.
7949 ₽
Показать больше
6754-72-1212
Датчик топливной рампы, 6754-72-1212
CMP
76
Екатеринбург
1-2 дня
2 шт.
4500 ₽
Показать больше
6754-72-1212
ДАТЧИК, 675-47-21212
Blumaq
147
Магадан
1-2дня
по запросу
8127 ₽
Показать больше
6754-72-1212
ДАТЧИК, 6754-72-1212
Original
239
СПБ
3-4дня
по запросу
30729 ₽
Показать больше
6754-72-1212
Датчик давления топливной рампы, Komatsu SAA6D114E-3, SAA6D107E-1, PC300-8, PC200-8, 6754-72-1210, 6754-72-1211, 6754-72-1212, 6754-72-1213, 6754-72-1214
Original
263
Чебоксары
1-2дня
по запросу
10440 ₽
Показать больше
6754-72-1212
ДАТЧИК Komatsu, 6754721212
Blumaq
289
Санкт-Петербург
2-3дня
8 шт.
5742 ₽
Показать больше
6754-72-1212
Датчик давления рампы, 6D114-3, PC300-8, 6D107E-1, 4D107E-1, 6D114E-3, 6CT, ISF3.8, QSB 4.5, ISF2.8, QSB6.7, QSB 5.9, 4ISBe, 6ISBe, 6754-72-1211, 6754-72-1210, 6754-72-1212, 3974092, 3949988
319
Хабаровск
3 шт.
5670 ₽
Показать больше
6754-72-1212
Датчик, 6754-72-1212, 0 281 006 325, 6754-72-1210, 0281006364
CMP
56
Екатеринбург
1-2 дня
по запросу
4442 ₽
Показать больше
3974092
Датчик давления, 6754-72-1211
CH
192
Москва
1-2дня
26 шт.
по запросу
Показать больше
3974092
Датчик давления топлива в рампе Cummins ISBe,ISF,ISLe
197
Москва
1-2дня
по запросу
по запросу
Показать больше
Информация, указанная на сайте, не является публичной офертой, носит справочно-информационный характер, может быть изменена в любое время без предварительного уведомления. Для получения актуальной информации о наличии, стоимости, сроков поставки товаров обращайтесь по адресу zakaz@partsell.ru
Заказать расчет, стоимость и сроки поставки 6754-72-1211
Аналоги 6754-72-1211
Производители
Применяется в спецтехнике
- Komatsu
- Двигатели
- Погрузчики фронтальные
- Экскаваторы
Категории товара
Похожие запчасти
- 6745-71-4320 Датчик давления топлива
- 6754-72-1210 Датчик 6754-72-1211 6754-72-1212
- 3974092 Датчик давления в рампе, 6754-72-1211, 3974092
- 5297641 ДАТЧИК ДАВЛЕНИЯ, 5260246, 0281006112, 0281002851
- 0281002937 0281002937 bosch датчик давления CUMMINS/IVECO/VOLVO (5260246/8099063/3843100
- st20710 Фильтр топливный
- 5260246 Датчик рампы Cummins 6ISBe 5260246 3974092 5297641 0281000425 0281006364
- 206-06-61130 Датчик
- 0281006325 0281006325 bosch датчик высокого давления топлива CUMMINS (5260246
- 4076493 Датчик давления атмосферного воздуха Cummins 6ISBe 4076493 2897331
- 4903290 Коннектор форсунки Cummins 6ISBe 4903290 4903254 4929864 4088576
- 4076930 Датчик давления масла аварийный Cummins ISF2.8, 6ISBe 4076930 4076931
- 30212 Подшипник ступичный задний внутренний HD65/72/78/COUNTY Fuso 4M50 52701-45010/30212/MX923884 SKV 30
- 3967251 3967251 Датчик давления масла
- 1110010028 1110010028 bosch клапан ограничения давления CUMMINS
- 0445120231 0445120231 bosch форсунка CUMMINS (5263262
- 3954099 Вал распределительный Cummins 6ISBe 3954099 3979506 3954100
- 0281002576 0281002576 bosch датчик давления наддува воздуха VOLVO/IVECO/RVI/CUMMINS
- 3957290 Клапан обратный дв.Cummins ISF 3.8 3957290
- 2848a071 Датчик давления масла Perkins 2848A071