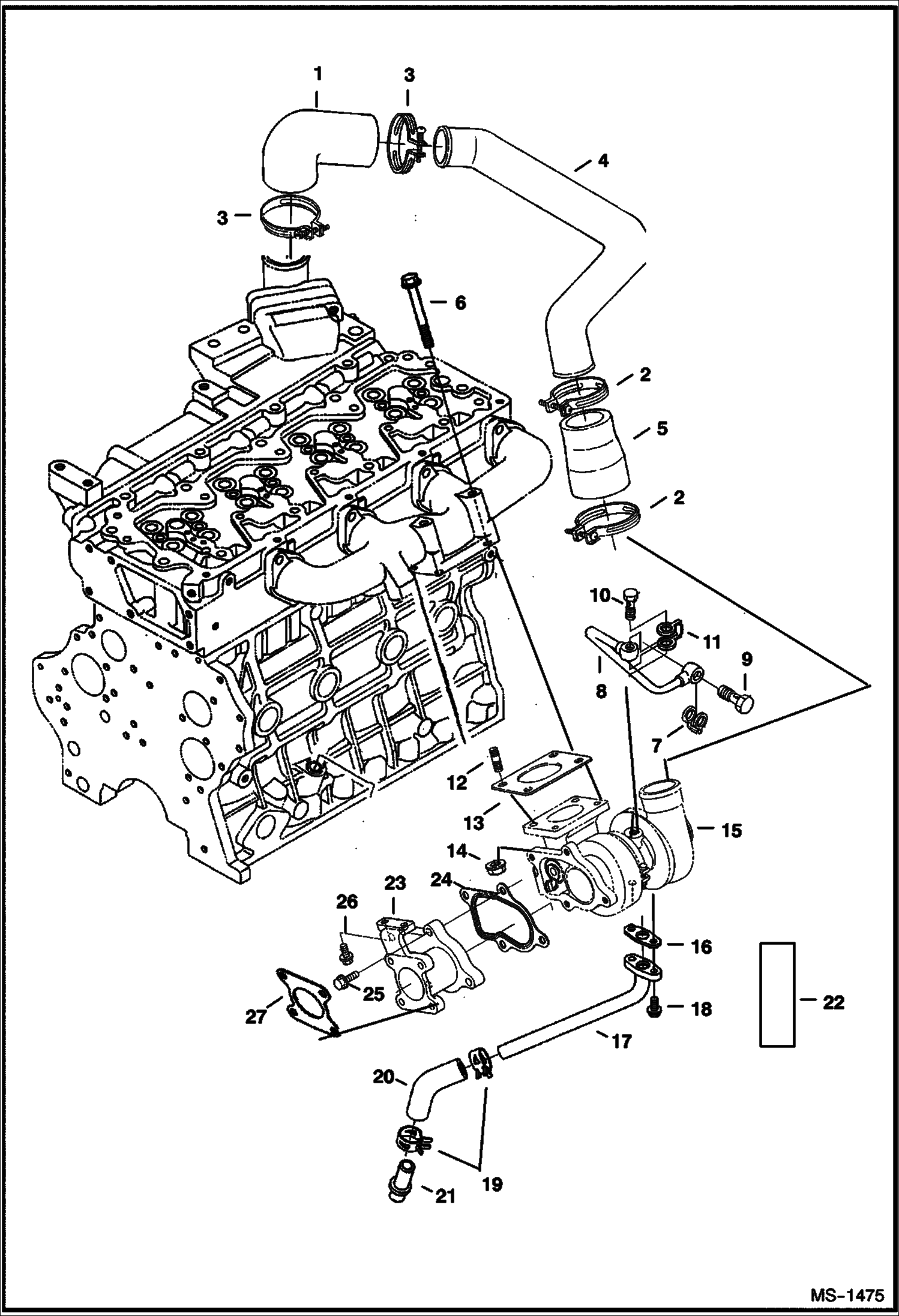
7017202ef Турбокомпрессор BOBCAT
Заказать расчет, стоимость и сроки поставки 7017202ef
Применимость запчасти
Всего используется в 11 узлов, посмотреть полную применимостьАналоги 7017202ef
Применяется в спецтехнике
- Bobcat
- Погрузчики
Название запчасти
- TURBOCHARGER
- Турбокомпрессор BOBCAT
Категории товара
Похожие запчасти
- 6688439 Контроллер (2-х разъемный) BOBCAT 6688439
- 7017202 Турбокомпрессор BOBCAT 7017202REM/ 7017202EF/ 7017202
- 7020831 Турбокомпрессор BOBCAT 7020831/ 7020831REM
- 6598362 Фильтр воздушный Bobcat внутренний 6598362
- 7015265 Вкладыш коренной (STD) Bobcat 7015265
- 6727832 Втулка рычага BOBCAT 6727832
- 6729358 Палец, конус BOBCAT 6729358
- 6632218 Подшипник редуктора (внутренняя обойма) BOBCAT 6632218
- 6728999 Втулка стрелы BOBCAT 6728999
- 6646781 Переключатель сигнала заднего хода BOBCAT 6646781
- 6743-81-8040 Турбонагнетатель CMP
- 6674400 Фара передняя левая BOBCAT 6674400
- 6505-52-5540 Турбокомпрессор
- 6502-13-2003 Турбокомпрессор 6502-12-1003 6502-13-2001 6502-13-2002 6502-13-2004
- 4038597 Турбокомпрессор QSB6.7 4038597 4955156 4042667 4038209 4044890
- 6685493 Вкладыши коренные, -0,40 mm BOBCAT 6685493
- 6685190 Стартер BOBCAT 6685190 Krauf
- 7232567 Диск колесный BOBCAT 16.5X9.75 7232567
- 6156-81-8170 Турбонагнетатель CMP
- c13-295-01 Турбокомпрессор C13-295-01 (C13-267-01, 50/09/16-01)53443-20, -53445-20, 170 л.с.,