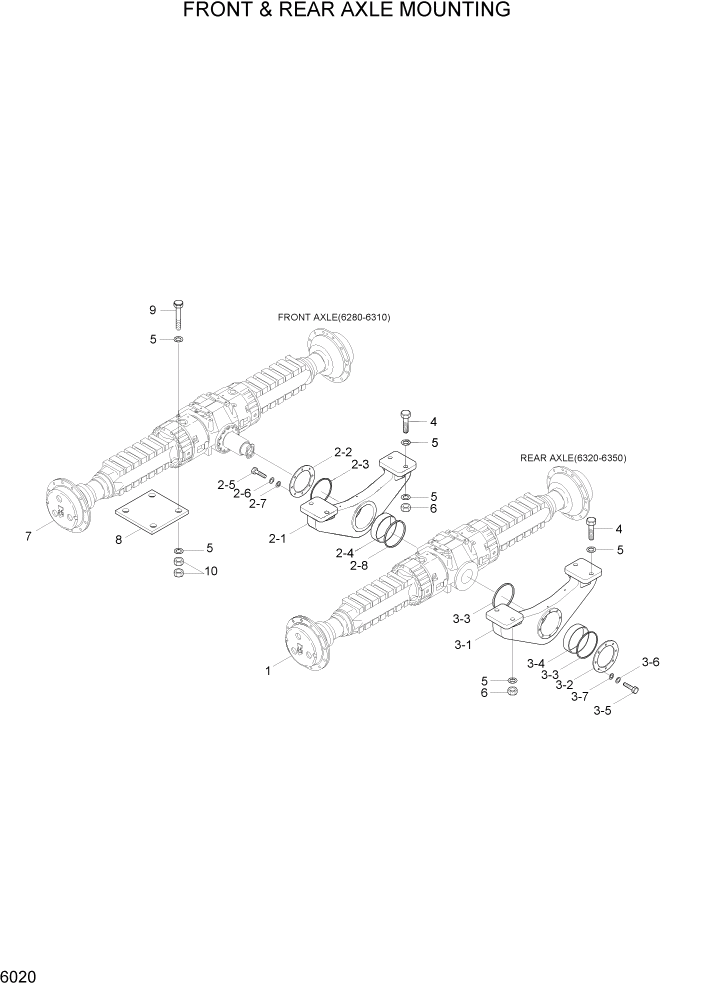
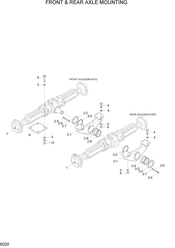
81L7-20130 Пыльник Hyundai HL740-7, HL730-7A, HL740TM-7, HL730TM7A, HL730-7, HL730TM7, HL730TM3, HL740TM-7A, HL740-7A
Наличие 81L7-20130 на складах, цены и сроки отгрузки
Артикул
Название
Производитель
Код
Город отгрузки
Срок отгрузки
Наличие
Стоимость
81l7-20130
Сальник 81L7-20130, Hyundai
138
Москва
2-3дня
44 шт.
1700 ₽
Показать больше
81l7-20130
Пыльник Hyundai HL740-7, HL730-7A, HL740TM-7, HL730TM7A, HL730-7, HL730TM7, HL730TM3, HL740TM-7A, HL740-7A, 81L7-20130
OEM
209
По запросу
1-2дня
2 шт.
272 ₽
Показать больше
Информация, указанная на сайте, не является публичной офертой, носит справочно-информационный характер, может быть изменена в любое время без предварительного уведомления. Для получения актуальной информации о наличии, стоимости, сроков поставки товаров обращайтесь по адресу zakaz@partsell.ru
Заказать расчет, стоимость и сроки поставки 81L7-20130
Применяется в спецтехнике
- Hyundai
- Фронтальные погрузчики
Варианты написания артикула
- 81l720130
- 81L7-20130
Похожие запчасти
- 81qb-11010 Каток опорный
- 175-32-11210 Болт башмачный
- 81n8-11010 Каток опорный 81E5-2002
- 31y1-33570 Ремкомплект 31Y1-33570 гидроцилиндра Hyundai 31Q9-60110 Ковш R320-LC-9
- s700-120209 Пыльник 421-09-11350
- y020-065111 Уплотнитель
- s700-070206 Пыльник
- y020-070011 Пылезащитное уплотнение
- s700-065206 Сальник
- y020-080011 Пыльник
- 07012-00110 Сальник 07012-10110 07012-50110 07012-40110 195-09-18520 21M-38-11610 569-01-12912
- 6736-21-4221 Сальник к/в задний 6732-21-1310 6736-21-4220 6732-21-4260 6732-21-1311
- 3921927 Сальник коленвала передний L, QSL, ISLe 3968562 3921927 3353977 4025270
- 20y-70-23230 Уплотнение (20Y-70-23230
- 07013-10120 Сальник 07013-00120 07013-40120
- 6742-02-1110 Сальник 6742-01-0550 6742-01-0940 6742-01-0950
- 904-20172 Сальник хвостовика моста (аналог) 904/20172 ARIES (Индия
- 07013-10125 Сальник 07013-00125 07013-40125
- 07012-50085 07012-00085 Сальник
- 708-1w-42130 708-1W-42130 ПРОКЛАДКА