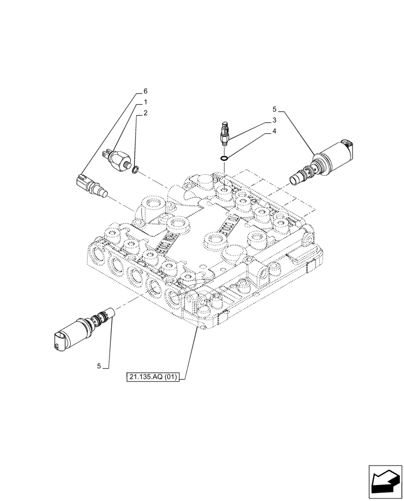
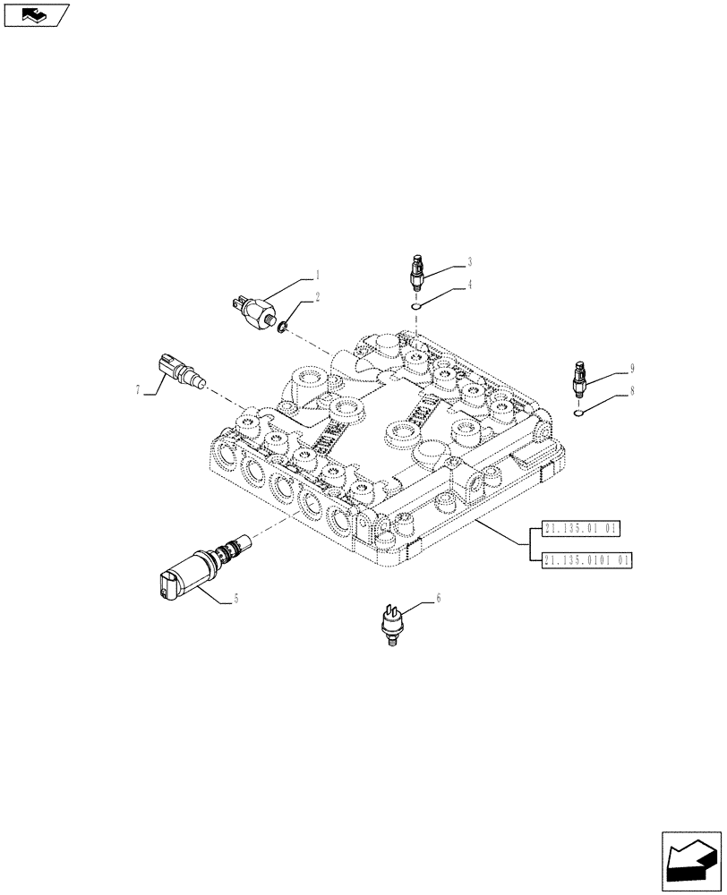
87395493 Датчик Давлениятрансмис Puma, (51581233), SWITCHPRESSURE, (оригинал)
Наличие 87395493 на складах, цены и сроки отгрузки
Артикул
Название
Производитель
Код
Город отгрузки
Срок отгрузки
Наличие
Стоимость
87395493
Датчик Давлениятрансмис Puma, (51581233), SWITCHPRESSURE, (оригинал)
CNH
102
Москва
1-3 дня
по запросу
6514 ₽
Показать больше
Информация, указанная на сайте, не является публичной офертой, носит справочно-информационный характер, может быть изменена в любое время без предварительного уведомления. Для получения актуальной информации о наличии, стоимости, сроков поставки товаров обращайтесь по адресу zakaz@partsell.ru
Заказать расчет, стоимость и сроки поставки 87395493
Применимость запчасти
- (05.100.01) - INITIAL STOCKING LIST (ISL)
- (1.80.7/02[01]) - (VAR.140-147) TRANSMISSION 16X16 (50 KM/H) (SPS) - CONTROL VALVE AND RELEVANT PARTS
- (55.414.01) - TRANSMISSION CONTROL VALVE, SWITCHES AND SOLENOID VALVES
- (55.024.AH[01]) - VAR - 337426, 337428, 391137, 758017, 758018, 758019, 758020, 758021 - TRANSMISSION CONTROL VALVE, SWITCH, SOLENOID VALVE
Похожие запчасти
- 47977004 Датчик Давления Трансмиссии Puma, SWITCHPRESSURE, (оригинал)
- 87494226 Датчик Давления Трансмис Puma, (47977004), SWITCHPRESSURE, (оригинал)
- 504049164 Датчик Коленвал Puma, SENSOR, (оригинал)
- 2854542 ДАТЧИК ДАВЛЕНИЯ ТОПЛИВА, 2854542
- 206-06-61130 Датчик
- 0281002937 0281002937 bosch датчик давления CUMMINS/IVECO/VOLVO (5260246/8099063/3843100
- 0281002576 0281002576 bosch датчик давления наддува воздуха VOLVO/IVECO/RVI/CUMMIN
- 319-0678 Гидравлический насос управления форсунками 319-0678/319-0677
- 3000950503 Сцепление в сборе дв.Cummins ISF 2.8 Оригинал 3000950503
- 4076493 Датчик давления атмосферного воздуха Cummins 6ISBe 4076493 2897331
- 4076930 Датчик давления масла аварийный Cummins ISF2.8, 6ISBe 4076930 4076931
- 2848a071 Датчик давления масла Perkins 2848A071
- 4903472 Форсунка QSM/M11 Евро-4 4903472
- 3967251 3967251 Датчик давления масла
- 145050 Сальник хвоставика (мост задний) Terex / Carraro 6193363M1 / 145050
- 6156-11-3300 Форсунка в сборе
- 5260246 Датчик рампы Cummins 6ISBe 5260246 3974092 5297641 0281000425 0281006364
- 4921517 4921517 Датчик
- 07433-71103 Насос трансмиссии
- 4954905 Датчик температуры жидкости Cummins 6ISBe 4954905 3096153 3865346