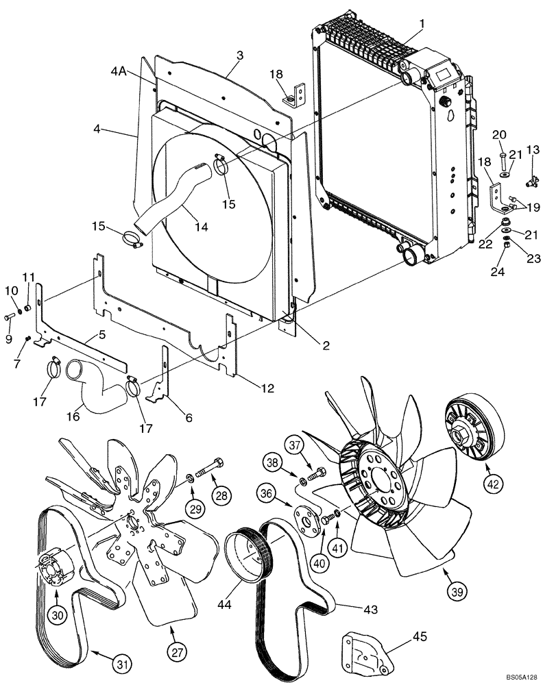
874-10098 Радиатор охлаждения MN422132-86701N на экскаватор погрузчик New Holland DENSO
Наличие 874-10098 на складах, цены и сроки отгрузки
Артикул
Название
Производитель
Код
Город отгрузки
Срок отгрузки
Наличие
Стоимость
874-10098
Радиатор охлаждения MN422132-86701N на экскаватор погрузчик New Holland DENSO
Запчасть
100
Набережные Челны
2-3 дня
по запросу
54545 ₽
Показать больше
87410098
Радиатор New Holland B110, B115, 87544110, 87310155, 87410098
141
Новокузнецк
По запросу
по запросу
по запросу
Показать больше
Информация, указанная на сайте, не является публичной офертой, носит справочно-информационный характер, может быть изменена в любое время без предварительного уведомления. Для получения актуальной информации о наличии, стоимости, сроков поставки товаров обращайтесь по адресу zakaz@partsell.ru
Заказать расчет, стоимость и сроки поставки 874-10098
Производители
Применяется в спецтехнике
- Case
- Погрузчики
- New Holland
Варианты написания артикула
- 87410098
- 874-10098
Категории товара
Похожие запчасти
- 87310155 Радиатор New Holland B110, B115, 87544110, 87310155, 87410098
- 87544110 Радиатор Case 580, 87544110
- 85800911 Гидроцилиндр ковша New Holland B95LR, B110, B115, 85800911
- d149298 Палец переднего ковша и стрелы (Аналог) D149298 New Holland
- 85823882 РВД NEW HOLLAND 85823882
- 76094243 РВД NEW HOLLAND 76094243
- 47048747 Палец New Holland B90B, B110B, B115B, D140655, 47048747
- d141142 Палец CASE (Аналог) D141142
- 250663a1 Палец CASE (Аналог) 250663A1
- 110-6331 Фильтр воздушный внутренний 110-6331/P829333/P775302/SA16302/HP2510/AT1718
- 42n-03-11780 Радиатор
- nd116120-7990 Радиатор, шт
- 0445120236 Форсунка
- 207-03-75120 Радиатор 208-03-71110
- 206-03-24110 Радиатор в сборе
- 11n6-90780 Радиатор отопителя, шт
- 206-03-71111 Радиатор
- 4649913 Радиатор, шт
- dz95259532202 Радиатор основной аллюминий WP12
- 53103205 531/03205 Коронка JCB 3CX