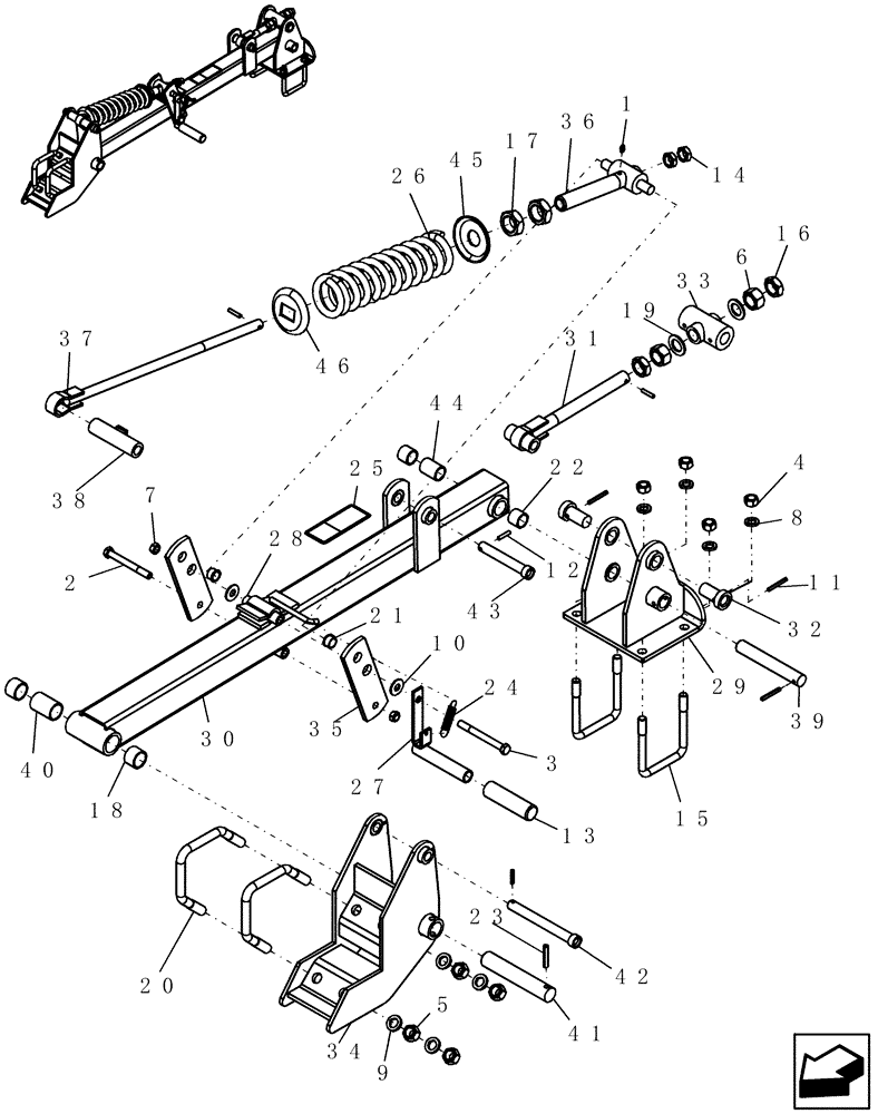
87718 РМК ступицы RS-ECO-PLUS 2 LAGERUNG SH/SK/H/K, 0980107330
Наличие 87718 на складах, цены и сроки отгрузки
Артикул
Название
Производитель
Код
Город отгрузки
Срок отгрузки
Наличие
Стоимость
87718
РМК ступицы RS-ECO-PLUS 2 LAGERUNG SH/SK/H/K, 0980107330, 87718
74
Хабаровск
2-3 дня
2 шт.
11488 ₽
Показать больше
Информация, указанная на сайте, не является публичной офертой, носит справочно-информационный характер, может быть изменена в любое время без предварительного уведомления. Для получения актуальной информации о наличии, стоимости, сроков поставки товаров обращайтесь по адресу zakaz@partsell.ru
Заказать расчет, стоимость и сроки поставки 87718
Применяется в спецтехнике
- Case IH
- Машины для растениеводства
Похожие запчасти
- 0980107330 РМК ступицы RS-ECO-PLUS 2 LAGERUNG SH/SK/H/K, 0980107330, 87718
- 0000000405 РМК фильтра грубой очистки масла KMZ-ЕВРО рмк силикон (2
- 11709672 Втулка внутренняя крепление г/ц поворота стрелы Анало
- 11709672 Втулка внутренняя крепление г/ц поворота стрелы Анало
- 33118 Подшипник ступицы 33118 / 0264102300 90х150х45 SKV BPW 33118; 14440; A 699 980 00
- 332-c4389 Зуб ковша боковой JCB 3CX/4CX, шт
- 28579 Кольцо (задней ступицы) Terex / Carraro 6193409M1 / 28579
- 32220--- Подшипник 100*180*34 32220.Л 76-32220 Л
- 826-00303 Болт зуба ковша BHL с гайкой (Аналог, Aries) 826/00303
- 3910739 Подшипник качения дв. Cummins C250
- 332-c4390 Зуб ковша боковой JCB 3CX/4CX, шт
- 30212 Подшипник ступичный задний внутренний HD65/72/78/COUNTY Fuso 4M50
- 3802376 Комплект прокладок нижний
- 4955230 К-кт прокладок нижний Cummins 6ISBe 6.7 4955230
- 3800558 Набор прокладок нижний K2 3800558 KMP Cummins 6CT8.3
- 32307 Подшипник ступичный FR наруж HINO300 32307 / 90366-35023/35031/8-94452-448 S
- 331-8538 Сальник опорного подшипника ступицы 331-8538/229-5092/391-9874/253-
- 125390 Втулка ступицы Terex / CAT / OEM 125390-OEM
- 904-50033 Сальник ступицы JCB 904/50033
- 700039 Сальник 140х170х14,5/16 700039 Tokez ступицы КАМАЗ