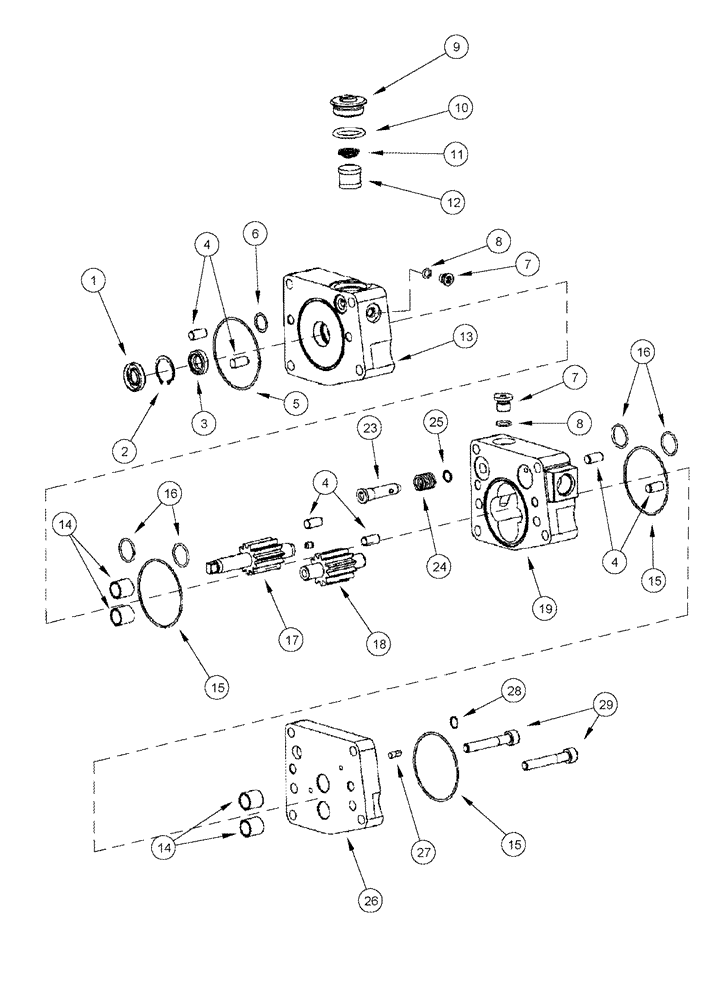
jr4089074 Насос топливный шестеренчатый, JR4089074, J4089074
Заказать расчет, стоимость и сроки поставки jr4089074
Применяется в спецтехнике
Категории товара
Похожие запчасти
- j4089074 Насос топливный шестеренчатый, JR4089074, J4089074
- 440020035 НАСОС ШЕСТЕРЕНЧАТЫЙ BOSCH
- 440020049 НАСОС ШЕСТЕРЕНЧАТЫЙ CR/CP3 BOSCH
- 4276918 Насос шестеренчатый, 9218005, шт
- 4255303 Насос шестеренчатый
- 705-11-38010 Насос гидравлики OEM
- 705-12-38011 Насос 705-12-38010 705-22-38050
- 705-51-20370 Насос
- 4181700 Насос линии управления, шт
- dk105217-6030 Топливоподкачивающий насос
- 6127-61-1008 Насос водяной
- 07440-72202 Насос рулевого управления D155
- dk105237-5000 Помпа подкачки топлива
- 326-1644 Фильтр топливный 1R0770 1749570
- 6154-61-1102 Насос водяной в сборе 6154-61-1100 6154-61-1101
- 6743-61-1531 Насос водяной
- 0440020115 0440020115 bosch шестерённый насос YUCHAI (L4700111177A38
- 094000-0120 094000-0120 denso топливный насос высокого давления HINO J08C
- 6745-71-1840 6745-71-1840 Насос
- 239-6656 Насос подкачки топлива 239-6656/5i-7511 (CTP