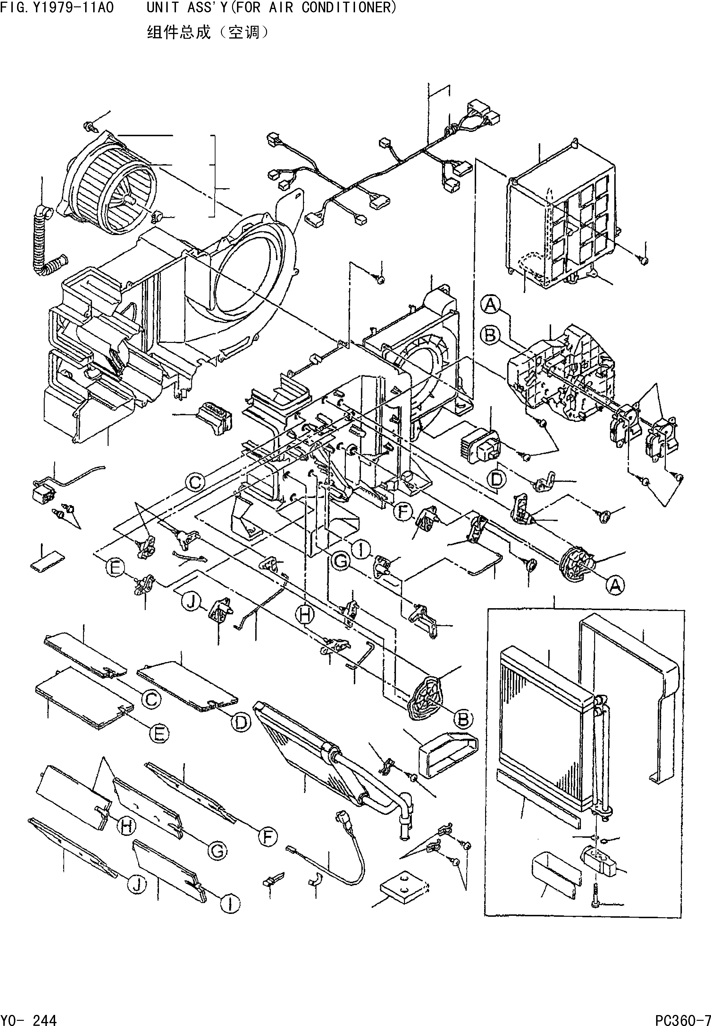
ND282500-1480 Мотор отопителя, ND116340-7030, 282500-1480
Наличие ND282500-1480 на складах, цены и сроки отгрузки
Артикул
Название
Производитель
Код
Город отгрузки
Срок отгрузки
Наличие
Стоимость
nd282500-1480
Мотор отопителя, ND116340-7030, 282500-1480, ND282500-1480
AM
218
Екатеринбург
1-2дня
по запросу
4800 ₽
Показать больше
nd282500-1480
Мотор отопителя KOMATSU
OEM
275
Екатеринбург
1-2дня
2 шт.
6118 ₽
Показать больше
nd282500-1480
МОТОР ВЕНТИЛЯТОРА Komatsu, ND2825001480
Blumaq
289
Санкт-Петербург
2-3дня
по запросу
25329 ₽
Показать больше
Информация, указанная на сайте, не является публичной офертой, носит справочно-информационный характер, может быть изменена в любое время без предварительного уведомления. Для получения актуальной информации о наличии, стоимости, сроков поставки товаров обращайтесь по адресу zakaz@partsell.ru
Заказать расчет, стоимость и сроки поставки ND282500-1480
Применимость запчасти
Всего используется в 1 узлов, посмотреть полную применимостьПроизводители
Применяется в спецтехнике
- Komatsu
- Экскаваторы
Название запчасти
- Мотор отопителя
- Мотор отопителя KOMATSU, ND282500-1480
- Мотор отопителя PC220-7, ND116340-7030, ND282500-1480
- Мотор отопителя, ND282500-1480
Варианты написания артикула
- nd2825001480
- ND282500-1480
Похожие запчасти
- nd292500-0140 Мотор отопителя
- 6193046m91 Мотор печки отопителя JCB, 12V
- hy-20327 Мотор отопителя MMC HY-20327/AD-MC06/MHT601K/MC928629/282500-0131 FUSO FK617 без �
- 11n6-90700 Вентилятор, шт
- nd063800-0300 Мотор в сборе
- 7188531 7188531 мотор отопителя TRА 94-09 FORD
- 4370266 Мотор отопителя 4658943 4464276 26756-77591
- nd116340-3860 Мотор отопителя JPN 292500-0631
- 4295534 Мотор отопителя
- nd116340-7030 Мотор отопителя
- nd116140-0050 Радиатор отопителя OEM
- 195-911-4660 Мотор отопителя без крыльчатки (между отверстиями 135) N
- 11n6-90780 Радиатор отопителя, шт
- nd062500-3740 Мотор отопителя
- 8-98048-508-0 Радиатор отопителя салона 8-98048-508-0/1/8-98047-494-0 NLR85/NMR85/NQR90/NP
- 332-c4284 Мотор отопителя JCB 332/C4284 / 30/925685
- 6680018 Розетка блока коплеров БРС для BOBCAT 6680018 / 6679839 ключ 42
- 2467010003 2467010003 bosch ремкомплект ТНВД VE TDI
- 8976034158 ЗАПЧАСТЬ ISUZU
- 07012-50085 07012-00085 Сальник