ps52d00001f1 Колесо направляющее SK 55, PS52D00001F1
Заказать расчет, стоимость и сроки поставки ps52d00001f1
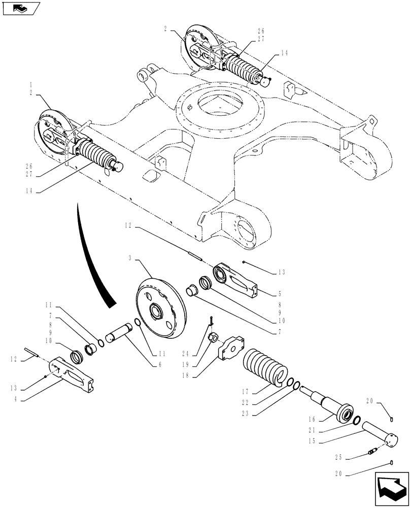
Применимость запчасти
Всего используется в 2 узлов, посмотреть полную применимостьПрименяется в спецтехнике
- Case
- Погрузчики
Похожие запчасти
- 9306002 Колесо направляющее, шт
- 215-12230 Колесо направляющее (длинная опора колеса направляющ�
- 136-2422 Колесо направляющее, шт
- 144-30-00038 Колесо направляющее в сборе, шт
- 9303011 Колесо направляющее в сборе 270-00063B, шт
- 81n6-13010 Колесо направляющее
- 9154690 Колесо направляющее
- 20y-30-00322 Направляющее колесо UX084K4E 20Y-30-00320 20Y-30-00321 20Y-30-08060 20Y-30-08070
- 207-30-00160 Направляющее колесо в сборе (РС300-5/6) (UX101K2E) // 207-30-00161/ 207-3
- 81n8-13010 Колесо направляющее 81E8-2004
- 20y-30-00640 Колесо направляющее
- 20y-27-11581 Звездочка
- 17m-30-00310 Колесо направляющее D275A-5
- 9176864 Колесо направляющее, 9242964, шт
- 1010203 Звездочка
- 9w4481 Вставка
- 207-27-61210 Звездочка 207-27-71460/207-27-61210/UR216K021/KM4186//KM3958
- 17a-30-00040 Колесо направляющее
- 9145269 Колесо направляющее
- 1033163 Звездочка ведущая CN