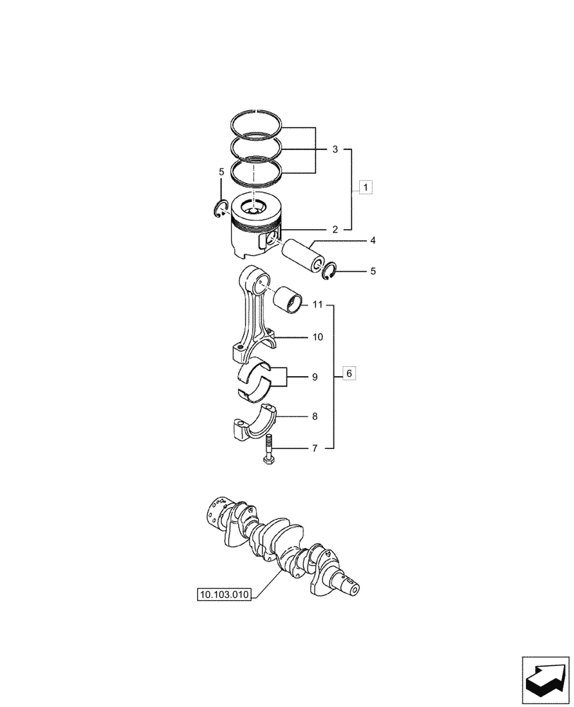
XJAU-00492 Втулка шатуна, 4TNV94
Заказать расчет, стоимость и сроки поставки XJAU-00492
Варианты написания артикула
- xjau00492
- XJAU-00492
Категории товара
Похожие запчасти
- ym124085-35113 МАСЛЯНЫЙ ФИЛЬТР
- xjau-00490 Кольцо поршневое, 4TNV94, XJAU-00490
- xjau-00489 Поршень, 4TNV94, XJAU-00489
- xjau-00142 Кольцо стопорное, 4TNV94, XJAU-00142
- 5284537 Вкладыш шатунный нижний стандарт Cummins ISF2,8 5284537
- 4976246 Втулка шатуна двигателя Cummins ISF2.8 4976246
- 3969562 3969562 Вкладыш шатун
- 5284536 Вкладыш шатунный верхний стандарт Cummins ISF 2.8 5284536
- 4891179 Болт шатуна Cummins 6ISBe,QSB,ISD,ISF 4891179
- 107-7330 Вкладыш шатунный 107-7330/7E-7997/355-8508 (KMP
- 3112a005 Втулка шатуна Perkins KMP Europe 3112A005-KMP (3112E031
- 4893693 Вкладыш шатунный стандарт нижний Cummins 6ISBe 4893693
- 125390 Втулка ступицы Terex / CAT / OEM 125390-OEM
- 808-00253 Втулка 33х30х25 мм (аналог) 808/00253 ARIES (Индия
- 5261124 Вкладыш шатунный верхний стандарт Cummins ISF 2.8 5261124/5284536/534
- 4948508 Вкладыш шатунный верхний дв.Cummins ISF3.8 4948508
- 4443885 Втулка боковая ZX330, ZX330-3
- 4891178 Втулка шатуна PC200-7, шт
- 4892795 Вкладыш шатуна ремонтный (0,25) низ
- 9g0296 9g0296