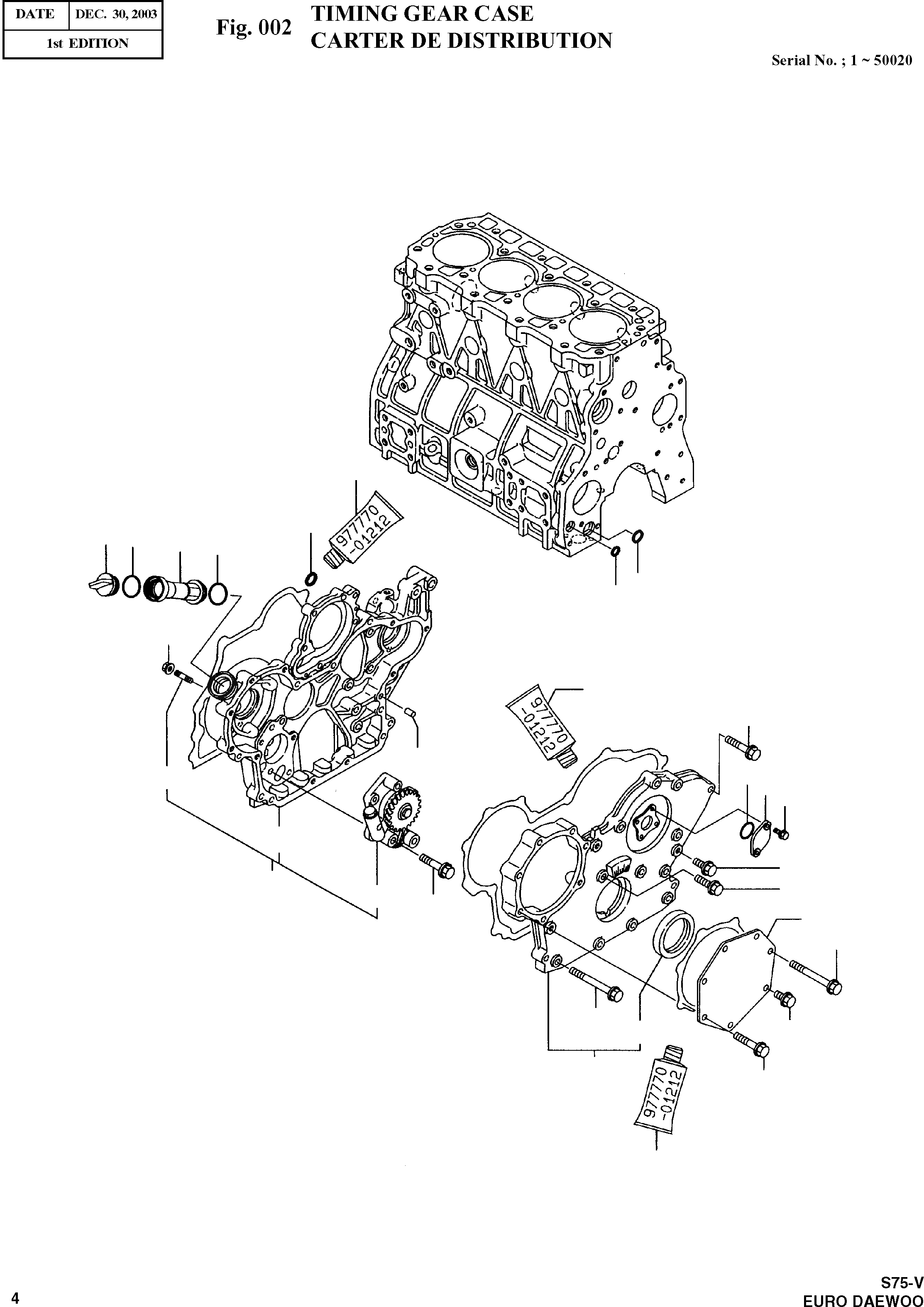
Y129916-01800 Сальник коленвала передний, Yanmar, Komatsu 4TNE98 ,4TNV98T,4TNE94,4TNV98,S4D98E
Заказать расчет, стоимость и сроки поставки Y129916-01800
Применимость запчасти
Всего используется в 0 узлов, посмотреть полную применимостьАналоги Y129916-01800
Производители
Применяется в спецтехнике
Варианты написания артикула
- y12991601800
- Y129916-01800
Категории товара
Похожие запчасти
- ym129916-01800 Сальник коленвала передний 129916-01800/ Y129916-01800/YM129916-01800 (Maxi
- 129916-01800 Сальник коленвала передний, Yanmar, Komatsu 4TNE98 ,4TNV98T,4TNE94,4TNV98,S
- ym124411-01780 Сальник коленвала задний 129916-01790/Y129916-01790/YM129916-01790 / YM124411
- ym129907-42000 Насос водяной 129907-42000/ Y129907-42000/YM129907-42000/YM129900-42000/Y129900-42000/1
- ym129900-23601 Набор шатунных вкладышей (4 пары) STD 129900-23601 / Y129900-23601/YM1299
- ym729900-02801 Набор вкладышей коренных STD (5 пар) 729900-02801 / Y729900-02801/YM729900
- ym129900-02931 Вкладыш упорный комплект (4шт) 129900-02931/Y129900-02931 / YM129900-02931
- ym129900-11100 Клапан впускной 129900-11100/ Y129900-11100/YM129900-11100 (Maxiforce) Yanmar, Komats
- ym129900-11110 Клапан выпускной 129900-11110/Y129900-11110/ YM129900-11110 (Maxiforce) Yanmar,Komat
- ym129900-11310 Прокладка крышки клапана 129900-11310/ Y129900-11310/YM129900-11310 (Maxiforc
- 6156-11-3300 Форсунка в сборе
- 207-70-73210 Палец штока г/ц ковша
- 6141-21-1332 Сальник 6208-21-1310
- 6742-02-1110 Сальник 6742-01-0550 6742-01-0940 6742-01-0950
- 07145-10110 07145-00110 Пыльник
- 07012-40085 Сальник масляный (07012-40085
- 207-30-00430 Каток поддерживающий KM3538
- 09244-02508 Палец коронки
- 07959-20001 Клапан натяжителя
- 6150-21-8010 Вкладыши коренные стд к-кт 6150-21-8110 6150-21-8120 6150-21-8140 6150-21-813