Запчасти Bobcat 600s DRIVE TRAIN DRIVE TRAIN

Схема запчастей Bobcat 600s - DRIVE TRAIN DRIVE TRAIN
FIT
1:1
100%

Артикул

Название

Примечание

Количество

1

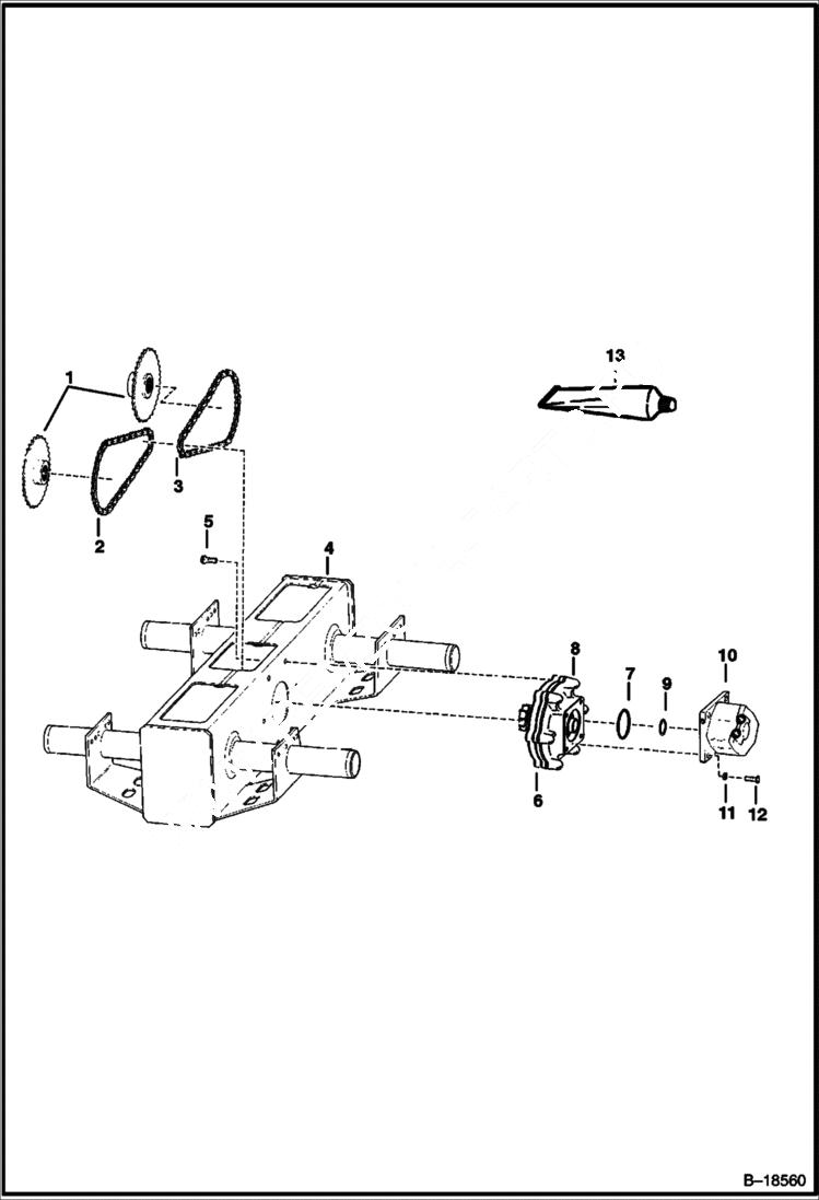
7134137

SPROCKET Was 6577204 - A

2

CHAIN NLA - 58 pitch - hour glass shape link - Was 6579126 - A

2

CHAIN NLA - 58 pitch - oval shape link - Was 6731219 - A

2

6689649

CHAIN, DRIVE 58 pitch - hour glass shape - Tsubaki

2

6510171

LINK conn. - hour glass shape - Diamond

2

6675332

LINK conn. - oval shape - Diamond

2

6690709

LINK conn. - hour glass shape - Tsubaki

3

CHAIN NLA - 62 pitch - hour glass shape link - Diamond - Was 6579127 - A

3

CHAIN NLA - 62 pitch - oval shape link - Diamond - Was 6731218 - A

3

6689651

CHAIN, DRIVEX 62 pitch - hour glass shape link - Tsubaki

3

6510171

LINK conn. - hour glass shape - Diamond

3

6675332

LINK conn. - oval shape - Diamond

3

6690709

LINK conn. - hour glass shape - Tsubaki

4

6703715

CHAINCASE

5

35C1032

BOLT

6

6704878

GASKET Install W/Rib toward chaincase

7

58K243

O RING 10

8

MOUNT ASSY See Illustration MOTOR CARRIER/ B18561

9

25K30202

O RING 10 supplied W/motor

10

MOTOR See Illustration HYDROSTATIC MOTOR/ D1928 W/Ref. 9

11

6701097

WASHER .25'' (6,4 mm) thickness - Was 6803867 - A

11

6703140

WASHER .37'' (9,4 mm) thickness

12

17C828

BOLT

13

6633583

SEALANT, POLYURETHANE 300 ML Use between Ref. 8 & 10

Выбрано товаров: 24