Запчасти Bobcat 700s DRIVE TRAIN DRIVE TRAIN

Схема запчастей Bobcat 700s - DRIVE TRAIN DRIVE TRAIN
FIT
1:1
100%

Артикул

Название

Примечание

Количество

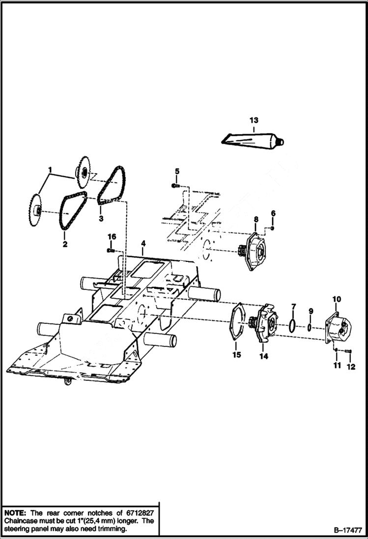
1

7134137

SPROCKET Was 6577204 - A

2

CHAIN NLA - 58 pitch - hour glass shape link - Was 6579126 - A

2

CHAIN NLA - 58 pitch - oval shape link - Was 6731219 - A

2

6689649

CHAIN, DRIVE 58 pitch - hour glass shape link - Tsubaki

2

6510171

LINK conn. - hour glass shape - Diamond

2

6675332

LINK conn. - oval shape - Diamond

2

conn. - hour glass shape - Tsubaki

3

CHAIN NLA - 62 pitch - hour glass shape link - Diamond - Was 6579127 - A

3

CHAIN NLA - 62 pitch - oval shape link - Diamond - Was 6731218 - A

3

6689651

CHAIN, DRIVEX 62 pitch - hour glass shape link - Tsubaki

3

6510171

LINK conn. - hour glass shape - Diamond

3

6675332

LINK conn. - oval shape - Diamond

3

6690709

LINK conn. - hour glass shape - Tsubaki

4

6712827

CHAINCASE trim rear corner notches and steering panel - Was 6576206 - A

5

35C1028

BOLT

6

85D10

NUT, 5

7

58K243

O RING 10 Was 25K040404B - D

8

MOUNT ASSY. See Illustration MOTOR CARRIER/ MC1938 NLA - drive motor - Order Ref. 14, 15 & (6) of Ref. 16 - Was 6569939 - A

9

25K30202

O RING 10 supplied W/motor

10

MOTOR See Illustration HYDROSTATIC MOTOR/ D2117 W/Ref. 9

11

6701097

WASHER .25'' (6,4 mm) thickness - Was 6803867 - A

11

6703140

WASHER .37'' (9,4 mm) thickness

12

17C828

BOLT

13

6633583

SEALANT, POLYURETHANE 300 ML Use between Ref. 4 & 8

14

MOUNT ASSY. See Illustration MOTOR CARRIER/ B17478 NLA - drive motor - Order components - Was 6705287 - A

15

6704878

GASKET install W/Rib toward chaincase

16

35C1032

BOLT

Выбрано товаров: 27