Запчасти Bobcat 700s DRIVE TRAIN (S/N 5096 35001-39898, 5096 16001-16504) DRIVE TRAIN

Схема запчастей Bobcat 700s - DRIVE TRAIN (S/N 5096 35001-39898, 5096 16001-16504) DRIVE TRAIN
FIT
1:1
100%

Артикул

Название

Примечание

Количество

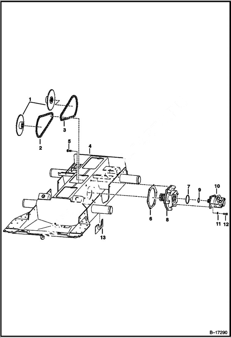
1

7134137

SPROCKET Was 6577204 - A

2

CHAIN NLA - 68 pitch - hour glass shape link - Diamond - Was 6703915 - A

2

CHAIN NLA - 68 pitch - oval shape link - Diamond - Was 6731217 - A

2

6689652

CHAIN, DRIVE 68 pitch - hour glass shape link - Tsubaki

2

6510171

LINK conn. - hour glass shape - Diamond

2

6675332

LINK conn. - oval shape - Diamond

2

6690709

LINK conn. - hour glass shape - Tsubaki

3

CHAIN NLA - 62 pitch - hour glass shape link - Diamond - Was 6579127 - A

3

CHAIN NLA - 62 pitch - oval shape link - Diamond - Was 6731218 - A

3

6689651

CHAIN, DRIVEX 62 pitch - hour glass shape link - Tsubaki

3

6510171

LINK conn. - hour glass shape - Diamond

3

6675332

LINK conn. - oval shape - Diamond

3

6690709

LINK conn. - hour glass shape - Tsubaki

4

CHAINCASE See Illustration DRIVE TRAIN/ D2143 - NLA - Order 6712826 Chaincase - Was 6706916 - A

5

35C1032

BOLT

6

6704878

GASKET install W/Rib toward chaincase

7

25K30508

O-RING, 10

8

MOUNT ASSY. See Illustration MOTOR CARRIER/ MC1937 - NLA - drive motor - Order components - Was 6705288 - A

9

25K30202

O RING 10 supplied W/motor

10

MOTOR See Illustration HYDROSTATIC MOTOR/ D2124 - W/Ref. 9

11

6701097

WASHER .25'' (6,4 mm) thickness - Was 6803867 - A

12

17C828

BOLT

13

6707647

BRACE weld-on

Выбрано товаров: 23