Запчасти Bobcat S-Series DRIVE TRAIN DRIVE TRAIN

Схема запчастей Bobcat S-Series - DRIVE TRAIN DRIVE TRAIN
FIT
1:1
100%

Артикул

Название

Примечание

Количество

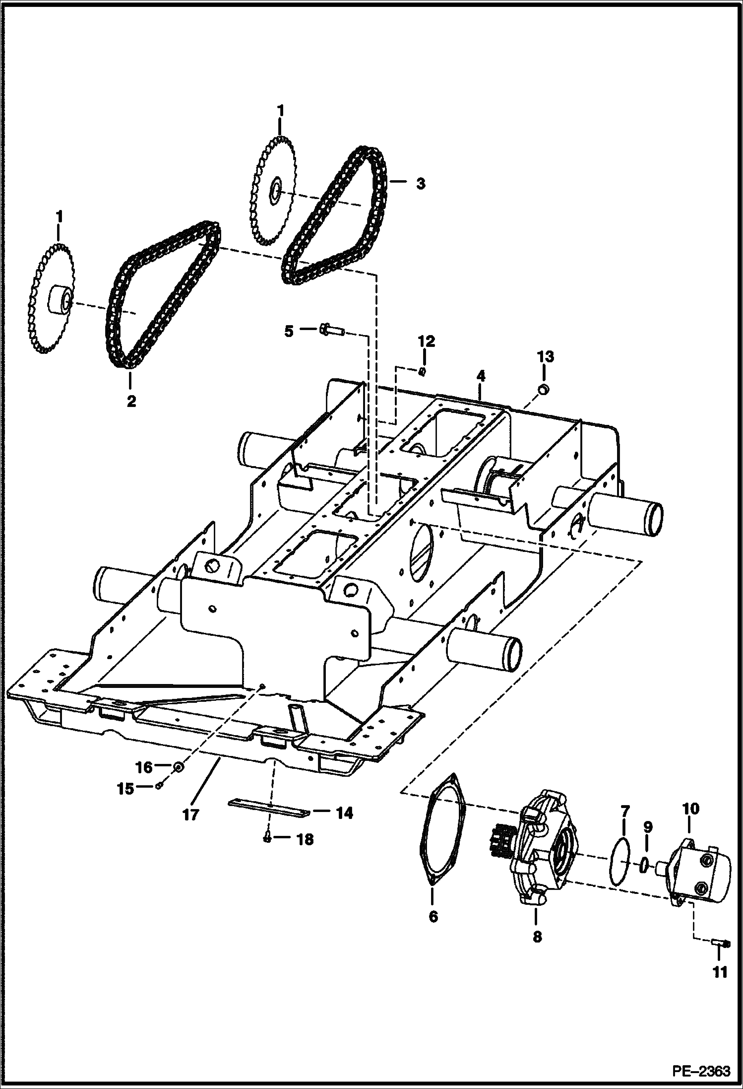
1

7134137

SPROCKET Was 6577204 - A

2

CHAIN NLA - 58 pitch - hour glass shape link - Was 6579126 - A

2

CHAIN NLA - 58 pitch - oval shape link - Was 6731219 - A

2

6689649

CHAIN, DRIVE 58 pitch - hour glass shape link - Tsubaki

2

6510171

LINK conn. - hour glass shape - Diamond

2

6675332

LINK conn. - oval shape - Diamond

2

conn. - hour glass shape - Tsubaki

3

CHAIN NLA - 62 pitch - hour glass shape link - Diamond - Was 6579127 - A

3

CHAIN NLA - 62 pitch - oval shape link - Diamond - Was 6731218 - A

3

6689651

CHAIN, DRIVEX 62 pitch - hour glass shape link - Tsubaki

3

6510171

LINK conn. - hour glass shape - Diamond

3

6675332

LINK conn. - oval shape - Diamond

3

6690709

LINK conn. - hour glass shape - Tsubaki

4

CHAINCASE See BTI373 NLA - Was 7104754

5

35C1032

BOLT

6

6704878

GASKET install W/rib toward chaincase

7

25K30508

O-RING, 10

8

MOUNT ASSY. See Illustration MOTOR CARRIER/ PE1893 DRIVE MOTOR

9

25K30202

O RING 10 supplied W/motor

10

MOTOR See Illustration HYDROSTATIC MOTOR/ C3431 W/REF. 9

11

93G824

BOLT

12

6657719

PLUG 0.75'' dia hole

13

6731121

PLUG chaincase fill

14

6700182

COVER, DRAIN

15

6599645

PLUG, STEEL chaincase drain

16

6553411

BUSHING

17

6706485

HOOK tie down - weld-on

18

84G3712

BOLT 5

Выбрано товаров: 0