Запчасти Bobcat S-Series DRIVE TRAIN DRIVE TRAIN

Схема запчастей Bobcat S-Series - DRIVE TRAIN DRIVE TRAIN
FIT
1:1
100%

Артикул

Название

Примечание

Количество

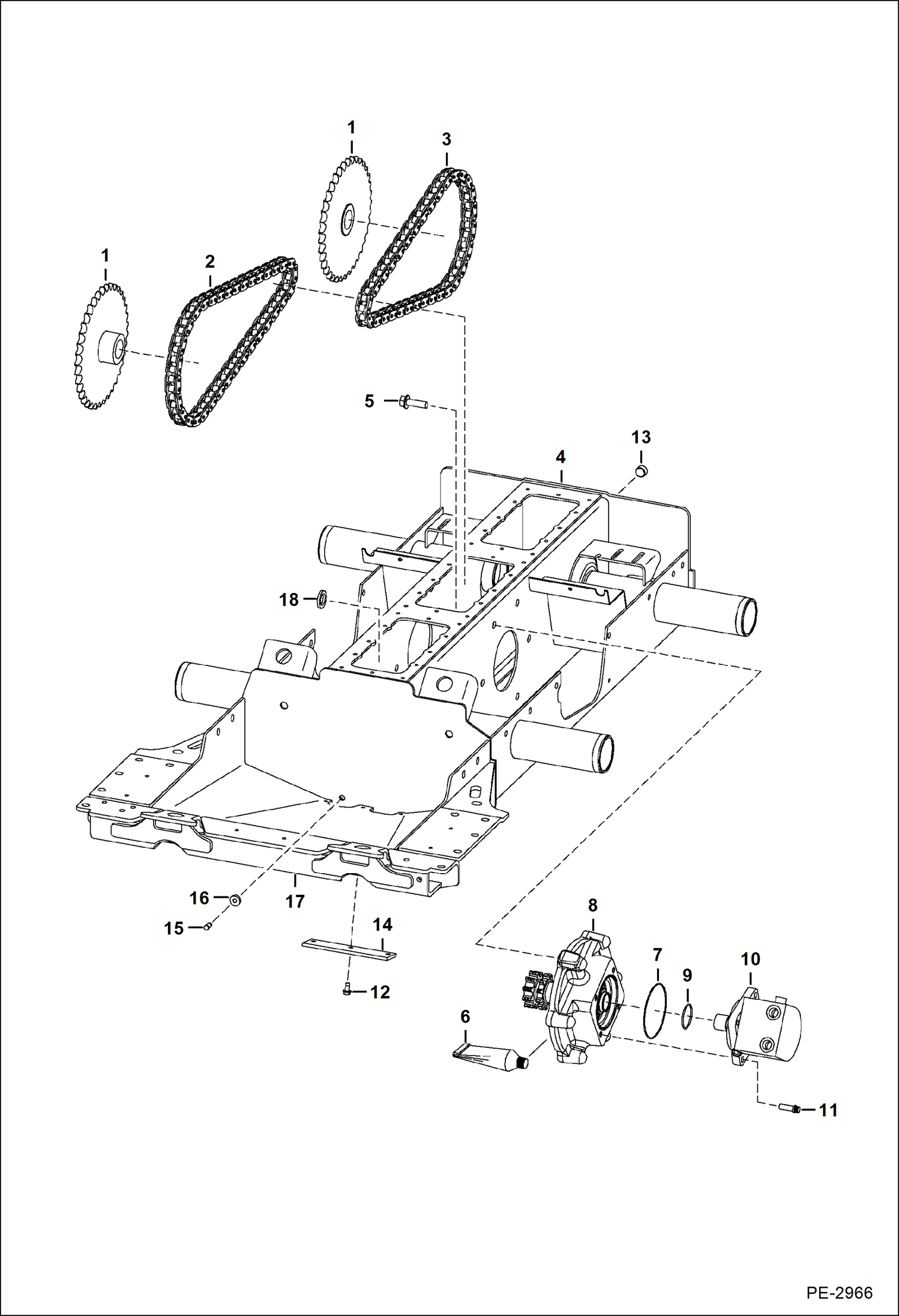
1

7134137

SPROCKET Was 6577204 - A

2

CHAIN NLA - 58 pitch - hour glass shape link - Was 6579126 - A

2

CHAIN NLA - 58 pitch - oval shape link - Was 6731219 - A

2

6689649

CHAIN, DRIVE 58 pitch - hour glass shape link - Tsubaki

2

6510171

LINK conn. - hour glass shape - Diamond

2

6675332

LINK conn. - oval shape - Diamond

2

6690709

LINK conn. - hour glass shape - Tsubaki

3

CHAIN NLA - 62 pitch - hour glass shape link - Diamond - Was 6579127 - A

3

CHAIN NLA - 62 pitch - oval shape link - Diamond - Was 6731218 - A

3

6689651

CHAIN, DRIVEX 62 pitch - hour glass shape link - Tsubaki

3

6510171

LINK conn. - hour glass shape - Diamond

3

6675332

LINK conn. - oval shape - Diamond

3

6690709

LINK conn. - hour glass shape - Tsubaki

4

CHAINCASE See Illustration DISC BRAKE/ NA8078 NLA - Order 7122292 chaincase & 7121926 cover - Was 7117344 - A

4

7122292

CHAINCASE

5

35C1032

BOLT

6

6685372

SEALANT, GASKET LIQUID 10.1 OZ tube - 0.57 kg (20 oz)

7

25K30508

O-RING, 10

8

MOUNT ASSY. See Illustration MOTOR CARRIER/ PE3454 manual controls

8

MOUNT ASSY. See Illustration MOTOR CARRIER/ PE1818 selectable joystick controls

9

25K30202

O RING 10 supplied W/motor

10

MOTOR W/REF. 9

11

93G824

BOLT

12

84G3712

BOLT 5

13

6731121

PLUG chaincase fill

14

6700182

COVER, DRAIN

15

6599645

PLUG, STEEL chaincase drain

16

6553411

BUSHING

17

6706485

HOOK tie down - weld-on

18

6680055

MAGNET selectable joystick controls

Выбрано товаров: 30