Качественные детали и логистика
Оригинальные и аналоговые запчасти с доставкой по России, Казахстану и Беларуси
©2022 PartSell ООО "Система" ИНН 2463123282 ОГРН 1212400004838
Центральный офис: г. Красноярск, Академика Киренского, д.87, пом.4
Телефон: 8 (800) 777-65-74 Email: zakaz@partsell.ru
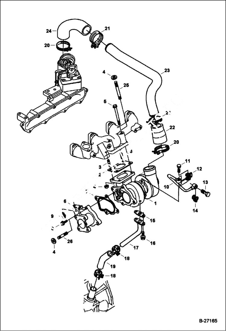
TURBOCHARGER
№
Артикул
Название
Примечание
Количество
1
7017202
TURBOCHARGER Was 6691586
6691586REM
TURBOCHARGER, KUBOTA V3800
7017202EF
2
7008514
GASKET, TURBO Was 6680893 - A
3
6680564
STUD
7010134
4
6969819
NUT, FLANGE
7010135
NUT
5
6680802
BOLT
6
6698525
FLANGE, MUFFLER
7
6691588
GASKET
8
6687146
9
6680755
7010138
BOLT, FLANGE
10
6680899
TUBE
11
6680900
12
7000642
WASHER, SEALING COPPER Was 6685962 - B
13
7022765
BOLT, EYE Was 6680791 - A
14
6689331
15
6680570
GASKET oil return tube
16
29CM612
BOLT, FLANGED Was 6698517 - A
17
6685963
PIPE
18
6680903
CLAMP
19
6685965
HOSE
20
6653993
21
3974143
BAND,PIPE
22
6680894
23
6698548
PIPE, INTAKE
24
6698549
HOSE, AIR FORMED
25
7010136
26
7010137
Выбрано товаров: 0