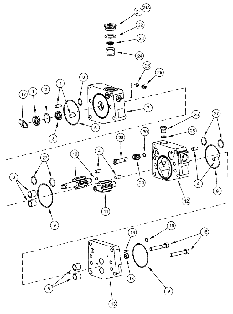
Запчасти Case IH FLX4510 (02-073) - FUEL INJECTION PUMP - GEAR PUMP KIT, FLX4010 (01) - ENGINE

Схема запчастей Case IH FLX4510 - (02-073) - FUEL INJECTION PUMP - GEAR PUMP KIT, FLX4010 (01) - ENGINE
8
27
22
12
8
30
6
26
4
4
13
14
9
21a
7
5
18
2
21
15
3
25
25
4
10
27
11
17
9
9
23
28
1
26
24
16
29
FIT
1:1
100%

Артикул

Название

Примечание

Количество

J4089074

REPAIR KIT

1шт.

JR4089074

REMAN-GEAR

Kit - Pump

1шт.

JC4089074

CORE-INJECTION PUMP

Return Part Number - Gear Pump Kit (Use This Part Number To Return Pump Core For Credit)

1шт.

1

NSS

NOT SOLD SEPARAT

Seal

1шт.

2

NSS

NOT SOLD SEPARAT

Ring - Retaining

1шт.

3

NSS

NOT SOLD SEPARAT

Seal

1шт.

4

NSS

NOT SOLD SEPARAT

Pin - Dowel

6шт.

5

J867642

O-RING,0.07" Thk x 2.489" ID, -37, Cl 5, 75 Duro

1шт.

6

J867641

O-RING,0.07" Thk x 0.551" ID, -15, Cl 5, 75 Duro

1шт.

7

NSS

NOT SOLD SEPARAT

Cover

1шт.

8

NSS

NOT SOLD SEPARAT

Bushing

4шт.

9

J867645

O-RING,0.07" Thk x 2.364" ID

3шт.

10

NSS

NOT SOLD SEPARAT

Shaft - Drive

1шт.

11

NSS

NOT SOLD SEPARAT

Shaft - Idler

1шт.

12

NSS

NOT SOLD SEPARAT

Housing

1шт.

13

NSS

NOT SOLD SEPARAT

Cover

1шт.

14

NSS

NOT SOLD SEPARAT

Pin - Dowel

1шт.

15

J867480

O-RING,0.07" Thk x 0.239" ID, -10, Cl 5, 75 Duro

1шт.

16

NSS

NOT SOLD SEPARAT

Bolt

2шт.

18

NSS

NOT SOLD SEPARAT

Hub - Drive

1шт.

21

J4009979

CAP

, Serial Range: -2542537

1шт.

21a

J4062462

CAP

, Start Serial: 2542537

1шт.

22

86637739

O-RING,0.116" Thk x 0.924" ID, -912, Cl 8, 90 Duro

1шт.

23

J70700

SPRING

Compression

1шт.

24

J146483

FILTER

Filter, Serial Range: -2542537

1шт.

24a

J3090769

SCREEN

Filter, Start Serial: 2542537

1шт.

25

J678610

PLUG

Threaded

2шт.

26

J678603

O-RING,2.2mm Thk x 9.3mm ID

1шт.

27

J3066914

O-RING,0.07" Thk x 0.739" ID

4шт.

A77972

KIT

Plunger, Pressure Regulator

1шт.

28

NSS

NOT SOLD SEPARAT

Plunger

1шт.

29

NSS

NOT SOLD SEPARAT

Spring

1шт.

30

NSS

NOT SOLD SEPARAT

Ring - Retaining

1шт.

Выбрано товаров: 33