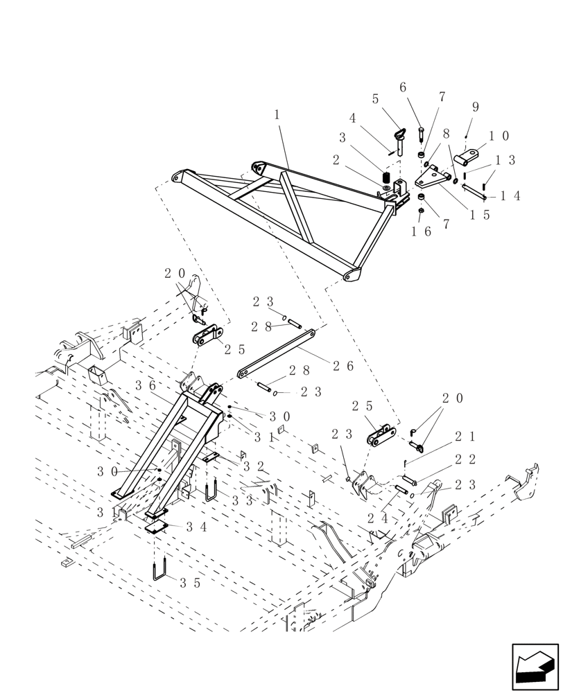
Запчасти Case IH ATX400 (4.030.1) - AUXILIARY TOW HITCH (18) - MISCELLANEOUS

Схема запчастей Case IH ATX400 - (4.030.1) - AUXILIARY TOW HITCH (18) - MISCELLANEOUS
32
26
2
9
30
23
20
10
1
31
23
34
28
4
21
25
24
7
3
15
14
28
7
23
13
22
33
20
36
5
30
6
25
8
35
31
16
23
FIT
1:1
100%

Артикул

Название

Примечание

Количество

1

DR-280V2

HITCH

auxiliary tow

1шт.

2

87325445

WASHER,1.25" ID x 1.88" OD x 0.07" Thk

1 1/4" id 1 7/8" 14ga

1шт.

3

87506204

COMPRESSION SPRING

1/8" wir 1 37/64" od 4 7/16" long

1шт.

4

87718

LOCK PIN,6.35mm OD x 50.8mm L

1шт.

5

DR-285

PIN

tow hitch - spring load

1шт.

6

280443

BOLT,Hex, 1" - 8 x 4 1/2", Gr 5

1шт.

7

DR-287

PLATE

collar junction

1шт.

8

6669

WASHER,1.06" ID x 1.75" OD x 0.13" Thk

1шт.

9

87414

LUBE NIPPLE,1/4" - 28

1шт.

10

DR-284

HITCH

tongue tow

1шт.

Includes grease fitting

1шт.

13

87577

LOCK PIN,9.53mm OD x 50.8mm L, Slotted

1шт.

14

DR-286

PIN

1" x 8 1/8" usable

1шт.

15

DR-283

PLATE

junction

1шт.

16

280286

NUT,1"-8, GB

1шт.

20

412769A1

HITCH PIN

1" x 3 1/2" usable

1шт.

Includes 6425

1шт.

21

302676A1

LINCH PIN

3/16" x 1 1/4"

1шт.

22

6711

HITCH PIN

3/4" x 4" usable

1шт.

23

87019495

SNAP RING,#98, Ext

1шт.

24

87420397

PIN,25.4mm OD x 122mm L

1" x 4 3/16" ul

1шт.

25

DR-289V2

LINK

auxiliary tow hitch

1шт.

26

DR-281V2

LINK

control

1шт.

28

DR-631

PIN

cylinder, 1" x 2 3/4" lg usable chrome

1шт.

30

280980

NUT,7/16"-14, GC

1шт.

31

81541

WASHER,0.5" ID x 1.25" OD x 0.08" Thk

1шт.

32

CA-165

PAD

flex, 2" wide x 5 1/2" long x 1/2" thick

1шт.

33

8980

U-BOLT

us 7/16"-14 3 1/8" w 5 1/2" d G5

1шт.

34

CA-166

PAD

flex, 4" wide x 6 5/16" long x 1/2" thick

1шт.

35

5089

U-BOLT

us 7/16"-14 4 1/8" w 5 3/8" d GR2

1шт.

36

DR-282

TOWER

support, aux tow hitch

1шт.

Выбрано товаров: 31