Качественные детали и логистика
Оригинальные и аналоговые запчасти с доставкой по России, Казахстану и Беларуси
©2022 PartSell ООО "Система" ИНН 2463123282 ОГРН 1212400004838
Центральный офис: г. Красноярск, Академика Киренского, д.87, пом.4
Телефон: 8 (800) 777-65-74 Email: zakaz@partsell.ru
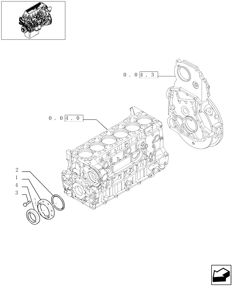
(0.04.3/1[01]) - ENGINE BLOCK FRONT COVER (500308638)
№
Артикул
Название
Примечание
Количество
1
500304671
COVER
1шт.
2
14467281
O-RING,0.139" Thk x 5.484" ID, -254, Cl 7, 75 Duro
3
16586224
SCREW,Hex Flg, M8 x 1.25 x 16mm, Cl 8.8
M8X1.25X16 mm
8шт.
4
40102683
GASKET
Выбрано товаров: 0