Качественные детали и логистика
Оригинальные и аналоговые запчасти с доставкой по России, Казахстану и Беларуси
©2022 PartSell ООО "Система" ИНН 2463123282 ОГРН 1212400004838
Центральный офис: г. Красноярск, Академика Киренского, д.87, пом.4
Телефон: 8 (800) 777-65-74 Email: zakaz@partsell.ru
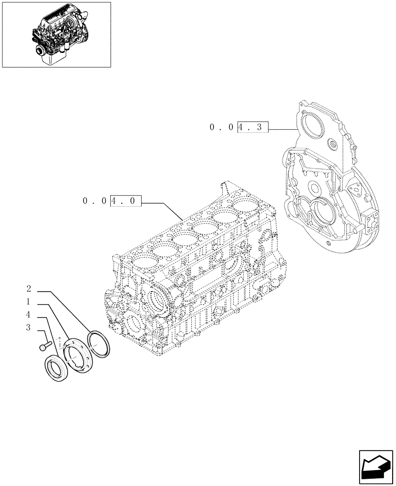
(0.04.3/1[01]) - ENGINE BLOCK FRONT COVER (504045977)
№
Артикул
Название
Примечание
Количество
1
500304671
COVER
1шт.
2
17292581
SEALING RING
3
2852100
FLANGE BOLT,Hex, M8 x 1.25 x 16mm
8шт.
4
40102683
GASKET
Выбрано товаров: 4