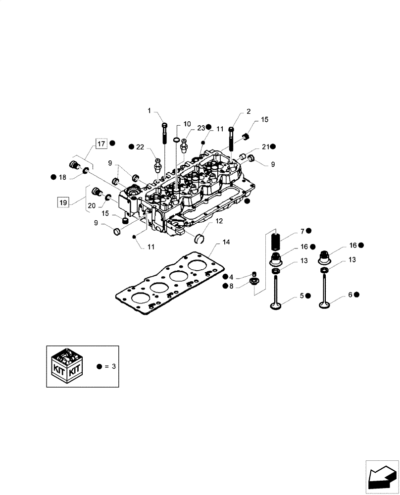
Запчасти Case IH F4HE0484D B101 (10.101.AA) - CYLINDER HEAD & RELATED PARTS (10) - ENGINE

Схема запчастей Case IH F4HE0484D B101 - (10.101.AA) - CYLINDER HEAD & RELATED PARTS (10) - ENGINE
13
3
13
3
8
1
20
3
5
3
3
21
10
6
3
9
11
3
14
7
3
3
15
15
12
18
9
9
16
23
3
3
3
11
16
3
2
22
17
19
3
4
FIT
1:1
100%

Артикул

Название

Примечание

Количество

1

4891024

BOLT,Flng, M12 x 1.75 x 130mm

M12 x 130

8шт.

2

4891025

SCREW,Flng, M12 x 1.75 x 150mm

M12 x 150

10шт.

3

503776829

CYLINDER HEAD

Incl 4, 5, 7, 8, 16 - 18, 21 - 23

1шт.

4

4899081

ROCKER ARM COTTER

32шт.

5

47422604

SERVICE KIT

8шт.

6

47422606

SERVICE KIT

8шт.

7

2831473

VALVE SPRING,Compression, 18.8mmOD x 45.2mm L

16шт.

8

4895074

CUP,18mm ID

16шт.

9

4895085

EXPANSION PLUG,25.74mm

9шт.

10

4895089

PLUG,0.886" L

7шт.

11

4895406

EXPANSION PLUG,9.8mm OD

5шт.

12

4895407

EXPANSION PLUG,38.28mm OD

1шт.

13

4897106

VALVE SEAT,28mm ID x 34.9mm OD x 5.75mm L

16шт.

14

2830707

CYLINDER HEAD GASKET,1.15mm Thk

1,15 mm

1шт.

14

2830706

CYLINDER HEAD GASKET,1.25mm Thk

1,25 mm

1шт.

15

4893036

PIPE PLUG,3/4"-14 NPTF

2шт.

16

2831287

SEAL,12.6mm ID x 28.5mm OD x 0.6mm Thk

16шт.

17

4895080

HEX SOCKET PLUG,M22 x 1.5

Incl 18

1шт.

18

2854072

SEALING RING,Square, 5.16mm Thk x 50.17mm ID

1шт.

19

4895392

HEX SOCKET PLUG,M18 x 1.5

Incl 20

1шт.

20

4895393

O-RING,2.2mm Thk x 15.3mm ID

1шт.

21

4893036

PIPE PLUG,3/4"-14 NPTF

1шт.

22

4895118

FITTING

1шт.

23

4896924

HYD CONNECTOR

1шт.

Выбрано товаров: 24