Запчасти Case IH 75XT (09-21) - LINKAGE - AUXILIARY SYSTEM (09) - CHASSIS

Схема запчастей Case IH 75XT - (09-21) - LINKAGE - AUXILIARY SYSTEM (09) - CHASSIS
20
21
20
2
17
3
22
14
12
9
18
13
8
4
10
11
19
6
1
7
23
15
16
5
FIT
1:1
100%

Артикул

Название

Примечание

Количество

North American Models -JAF0318921

1шт.

European Models -JAF0352168

1шт.

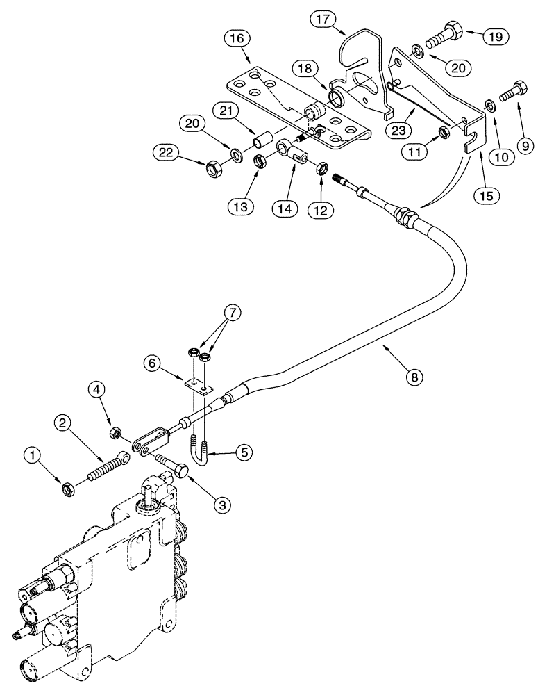
1

425-116

NUT,3/8" - 24, Gr 5

1шт.

2

D144606

BALL JOINT

1шт.

3

413-620

BOLT,Hex, 3/8" - 16 x 1-1/4", Gr 5

1шт.

4

231-4146

NUT,3/8"-16, GB

1шт.

5

194281A1

U-BOLT

BOLT "U" M6

1шт.

6

H373779

LARGE PLATE

PLATE, LARGE

1шт.

7

832-41306

NUT,M6 x 1, Cl 10

2шт.

8

253887A1

CABLE

1шт.

9

614-10030

BOLT,Hex, M10 x 1.5 x 30mm, Cl 8.8, Full Thd

1шт.

11

832-41310

NUT,M10 x 1.5, Cl 10

1шт.

12

425-116

NUT,3/8" - 24, Gr 5

1шт.

13

232-4116

NUT,3/8"-16, GC

1шт.

14

S108030

JOINT

1шт.

15

281476A2

SUPPORT

1шт.

16

281787A1

PEDAL

1шт.

17

280802A1

LEVER ASSY.

Locking

1шт.

18

283839A1

SPACER

1шт.

19

827-12060

BOLT,Hex, M12 x 1.75 x 60mm, Cl 10.9

1шт.

20

895-11012

WASHER,13.5mm ID x 24mm OD x 2.5mm Thk

2шт.

21

L14781

BUSHING,12.8mm ID x 15.94mm OD x 25.4mm L

1шт.

22

832-41312

NUT,M12 x 1.75, Cl 10

1шт.

23

302960A1

SPRING

1шт.

10

895-11010

WASHER,11mm ID x 20mm OD x 2mm Thk

2шт.

Выбрано товаров: 25