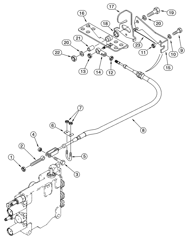
Запчасти Case IH 90XT (09-19) - LINKAGE AUXILIARY SYSTEM, NORTH AMERICAN MODELS -JAF0320049, EUROPEAN MODELS -JAF0274261 (09) - CHASSIS

Схема запчастей Case IH 90XT - (09-19) - LINKAGE AUXILIARY SYSTEM, NORTH AMERICAN MODELS -JAF0320049, EUROPEAN MODELS -JAF0274261 (09) - CHASSIS
15
20
11
3
20
21
23
10
7
17
16
6
5
1
2
22
4
18
19
13
9
8
12
14
FIT
1:1
100%

Артикул

Название

Примечание

Количество

1

425-116

NUT,3/8" - 24, Gr 5

1шт.

2

D144606

BALL JOINT

1шт.

3

413-620

BOLT,Hex, 3/8" - 16 x 1-1/4", Gr 5

1шт.

4

231-4146

NUT,3/8"-16, GB

1шт.

5

194281A1

U-BOLT

BOLT "U" M6

1шт.

6

H373779

LARGE PLATE

PLATE, LARGE

1шт.

7

832-41306

NUT,M6 x 1, Cl 10

2шт.

8

253887A1

CABLE

1шт.

9

614-10030

BOLT,Hex, M10 x 1.5 x 30mm, Cl 8.8, Full Thd

1шт.

11

832-41310

NUT,M10 x 1.5, Cl 10

1шт.

12

425-116

NUT,3/8" - 24, Gr 5

1шт.

13

232-4116

NUT,3/8"-16, GC

1шт.

14

S108030

JOINT

1шт.

15

281476A2

SUPPORT

1шт.

16

281787A1

PEDAL

1шт.

17

280802A1

LEVER ASSY.

Locking

1шт.

18

283839A1

SPACER

1шт.

19

827-12060

BOLT,Hex, M12 x 1.75 x 60mm, Cl 10.9

1шт.

20

895-11012

WASHER,13.5mm ID x 24mm OD x 2.5mm Thk

2шт.

21

L14781

BUSHING,12.8mm ID x 15.94mm OD x 25.4mm L

1шт.

22

832-41312

NUT,M12 x 1.75, Cl 10

1шт.

23

302960A1

SPRING

1шт.

10

895-11010

WASHER,11mm ID x 20mm OD x 2mm Thk

2шт.

Выбрано товаров: 23