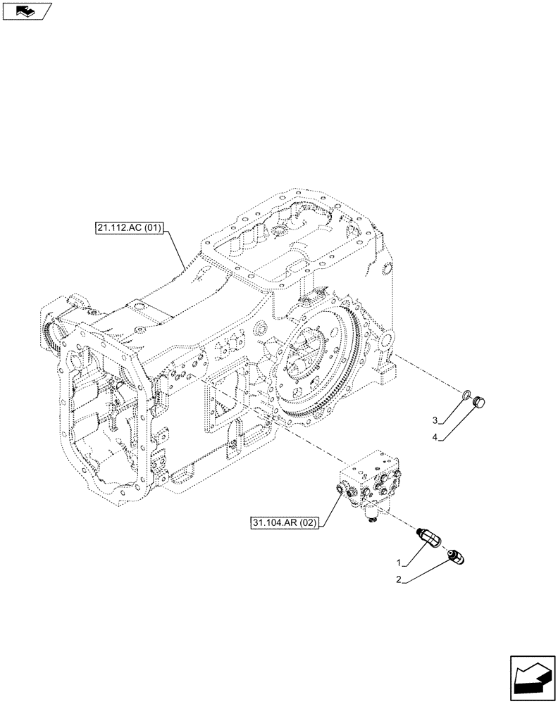
Запчасти Case IH MAXXUM 120 (55.021.AB[02]) - VAR - 332351, 391223 - REAR AXLE, PRESSURE SENSOR (55) - ELECTRICAL SYSTEMS

Схема запчастей Case IH MAXXUM 120 - (55.021.AB[02]) - VAR - 332351, 391223 - REAR AXLE, PRESSURE SENSOR (55) - ELECTRICAL SYSTEMS
4
31.104.ar (02)
2
3
1
home
21.112.ac (01)
FIT
1:1
100%

Артикул

Название

Примечание

Количество

1

87537887

90 ELBOW

1шт.

2

87395493

PRESSURE SWITCH

Transmission Oil Pressure

1шт.

3

10280060

SEAL,M14.2 x 20 x 1.5

1шт.

4

10300611

PLUG,M14 x 1.5 x 14, Cl5.8

1шт.

Выбрано товаров: 4