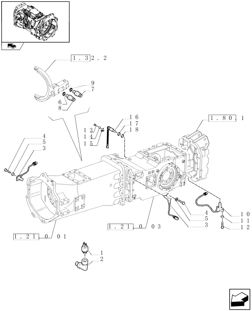
Запчасти Case IH MAXXUM 140 (1.75.0[04]) - GEARBOX HOUSING SENSORS AND SWITCHES (06) - ELECTRICAL SYSTEMS

Схема запчастей Case IH MAXXUM 140 - (1.75.0[04]) - GEARBOX HOUSING SENSORS AND SWITCHES (06) - ELECTRICAL SYSTEMS
11
12
15
1
3
14
4
9
18
1.21.0 01
1.21.0 03
1.80.1 01
home
10
6
5
3
13
1.32.2
16
17
4
7
8
5
2
FIT
1:1
100%

Артикул

Название

Примечание

Количество

1

87395493

PRESSURE SWITCH

1шт.

2

87537887

90 ELBOW

1шт.

3

84169162

SENSOR

2шт.

Auto Change Gear/PTO Input Torque

1шт.

4

14305773

SCREW,M6 x 14mm

2шт.

5

12601279

WAVE WASHER,6.40mm ID x 12mm OD x 0.50mm, 2.60mm H, STL, ZND

2шт.

6

81832258

O-RING,0.087" Thk x 0.644" ID, -908, Cl 6, 90 Duro

1/2" Tube OD

1шт.

7

82018880

SWITCH ASSY

1шт.

"Hi" Synchro Range Position

1шт.

8

82018879

SWITCH ASSY

1шт.

"Lo" Synchro Range Position

1шт.

9

81845037

O-RING,0.078" Thk x 0.468" ID, -906, Cl 6, 90 Duro

3/8" Tube OD

1шт.

10

84165809

SENSOR

PTO Speed

1шт.

11

10571474

LOCK WASHER,5.10mm ID x 9.20mm OD x 1.20mm, C72, DAC

2шт.

12

10977724

BOLT,M5 x 14.00mm, Cl 8.8, DAC

2шт.

13

14306221

HEX SOC SCREW,M8 x 16mm, Cl 8.8, Full Thd

1шт.

14

11193874

BELLEVILLE WASHER,M8 Bolt Size x 16mm OD x 1.4mm Thk

1шт.

15

47127853

PLATE

1шт.

16

87564762

SENSOR

1шт.

Speed Push Fit

1шт.

17

81832258

O-RING,0.087" Thk x 0.644" ID, -908, Cl 6, 90 Duro

1шт.

18

2852978

O-RING,0.103" Thk x 0.924" ID, -119, Cl 7, 75 Duro

1шт.

Выбрано товаров: 22