Запчасти Case IH PUMA 140 (1.75.0/06) - FULL POWER-SHIFT TRANS. 18X6 AND 19X6 - SOLENOID VALVES AND SENSORS (VAR.330285) (06) - ELECTRICAL SYSTEMS

Схема запчастей Case IH PUMA 140 - (1.75.0/06) - FULL POWER-SHIFT TRANS. 18X6 AND 19X6 - SOLENOID VALVES AND SENSORS (VAR.330285) (06) - ELECTRICAL SYSTEMS
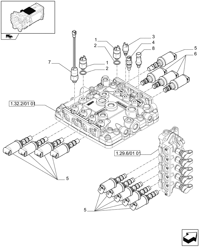
1.32.2/01 01
5
3
1
6
4
2
7
5
8
5
1
2
home
1.29.6/01 01
FIT
1:1
100%

Артикул

Название

Примечание

Количество

1

87395493

PRESSURE SWITCH

Pressure

1шт.

2

2854292

SEALING WASHER,12mm ID x 17mm OD x 1.5mm Thk

2шт.

3

82008236

SWITCH ASSY

Transm. Oil Pressure

1шт.

4

87564690

TEMPERATURE SENDER,3/8" - 18

Transm. Temperature

1шт.

5

87739558

SOLENOID VALVE,14W

Green Connectors

10шт.

5

87739558R

REMAN-SOLENOID

Green Connectors

10шт.

5

87739558C

CORE-SOLENOID

Return Number

10шт.

6

84273815

SOLENOID VALVE,12V DC, 7.3Ohm

Dump Valves, Black Connectors

3шт.

7

87494226

PRESSURE SWITCH

Transm. Oil Pressure

4шт.

8

84407735

PRESSURE SWITCH,0.40 Bar

1шт.

Выбрано товаров: 10