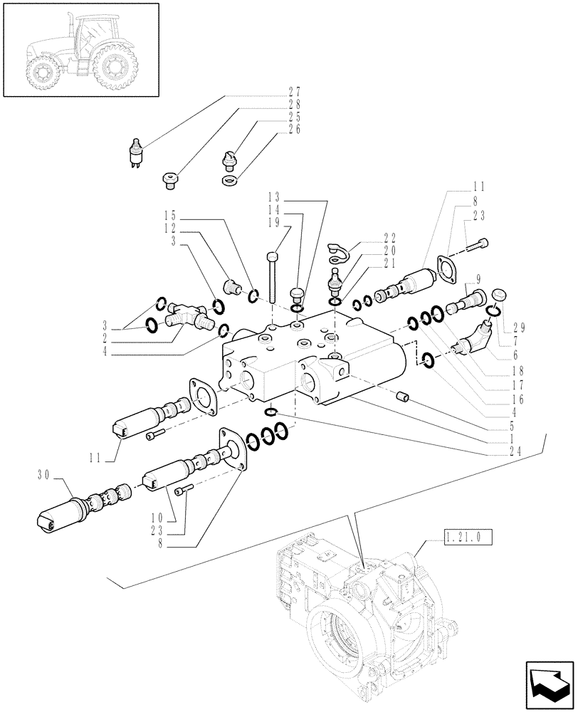
Запчасти Case IH PUMA 195 (1.80.7[03]) - PTO, CLUTCH - (2WD) (07) - HYDRAULIC SYSTEM

Схема запчастей Case IH PUMA 195 - (1.80.7[03]) - PTO, CLUTCH - (2WD) (07) - HYDRAULIC SYSTEM
22
14
13
21
4
28
18
30
24
20
11
3
7
11
1
16
15
29
6
17
3
4
27
1.21.0
9
12
23
25
5
8
19
26
10
2
23
8
FIT
1:1
100%

Артикул

Название

Примечание

Количество

1

87525217

DISTRIBUTOR

1шт.

2

5187063

HYD CONNECTOR

1шт.

3

5185512

O-RING,0.07" Thk x 0.614" ID, -16, Cl 6, 90 Duro

3шт.

4

14438085

O-RING,19.3mm ID x 2.4mm

2шт.

5

14326004

PLUG,Hex Socket, M10 x 1.25 x 11.00mm, STL, DAC

M10 x 1.25

5шт.

6

47136372

HYD CONNECTOR,M22 x 1.5 x 88.5mm L

1шт.

7

5185511

O-RING,1.78mm Thk x 12.42mm ID, 85 Duro

M12.42 ID x 1.78 Thk

1шт.

8

5194826

BRACKET

4шт.

9

5195316

PLUG

1шт.

10

5196873

SOLENOID VALVE

132mm, Serial Range: -C5599

1шт.

11

87723774

SOLENOID VALVE

114mm, Serial Range: -C6743

2шт.

11

84276869

SOLENOID

, Start Serial: D6743

2шт.

12

10119311

PLUG,M16 x 1.5 x 12, Cl5.8

1шт.

13

87316678

SEALING WASHER,10mm ID x 16mm OD x 2.3mm Thk

4шт.

14

87535222

PLUG,Hex, M10 x 1 x 13mm

4шт.

15

14437885

O-RING,13.30mm ID x 2.40mm

2шт.

16

14453182

O-RING,0.07" Thk x 0.489" ID, -14, Cl 9, 70 Duro

1шт.

17

14453280

O-RING,0.07" Thk x 0.551" ID, -15, Cl 5, 75 Duro

1шт.

18

14453680

O-RING,0.07" Thk x 0.801" ID, -19, Cl 5, 75 Duro

1шт.

19

15888821

BOLT,Hex, M10 x 1.25 x 70mm, Cl 8.8

4шт.

20

5185423

COUPLING

1шт.

21

14437785

O-RING,11.3mm ID x 2.4mm

1шт.

22

5185424

DUST CAP,11.5mm ID x 81.5 L, Black

1шт.

23

14305124

HEX SOC SCREW,M6 x 12mm, Cl 8.8, Full Thd

8шт.

24

14457080

O-RING,0.103" Thk x 0.487" ID, -112, Cl 5, 75 Duro

7шт.

25

87395493

PRESSURE SWITCH

Trans. Oil

1шт.

26

2854292

SEALING WASHER,12mm ID x 17mm OD x 1.5mm Thk

1шт.

27

82008236

SWITCH ASSY

Trans. Oil, 51 mm L.

1шт.

28

5195455

HYD CONNECTOR

1шт.

29

47123020

PLUG,Hex

13/16

1шт.

30

87624294

SOLENOID

, Start Serial: D5599

1шт.

Выбрано товаров: 0