Запчасти Case IH STX325 (03-09) - FUEL INJECTION PUMP (03) - FUEL SYSTEM

Схема запчастей Case IH STX325 - (03-09) - FUEL INJECTION PUMP (03) - FUEL SYSTEM
19
16
15
28
8
2
27
5
15
9
11
3
12
4
23
4
14
6
24
7
4
15
18
1
7
13
16
26
14
25
8
10
17
29
FIT
1:1
100%

Артикул

Название

Примечание

Количество

J4089074

REPAIR KIT

Fuel Pump, 6TAA-8304, Inc. 1 - 29

1шт.

STX275

1шт.

JR4089074

REMAN-GEAR

Fuel Pump, 6TAA-8304

1шт.

JC4089074

CORE-INJECTION PUMP

Return Part Number, Fuel, 6TAA-8304

1шт.

STX275

1шт.

STX275

1шт.

J4089075

FUEL PUMP

6TAA-9004, Inc. 1 - 29

1шт.

STX325

1шт.

JR4089075

REMAN-GEAR

Fuel Pump, 6TAA-9004

1шт.

JC4089075

CORE-INJECTION PUMP

Return Part Number, Fuel Pump, 6TAA-9004

1шт.

STX325

1шт.

STX325

1шт.

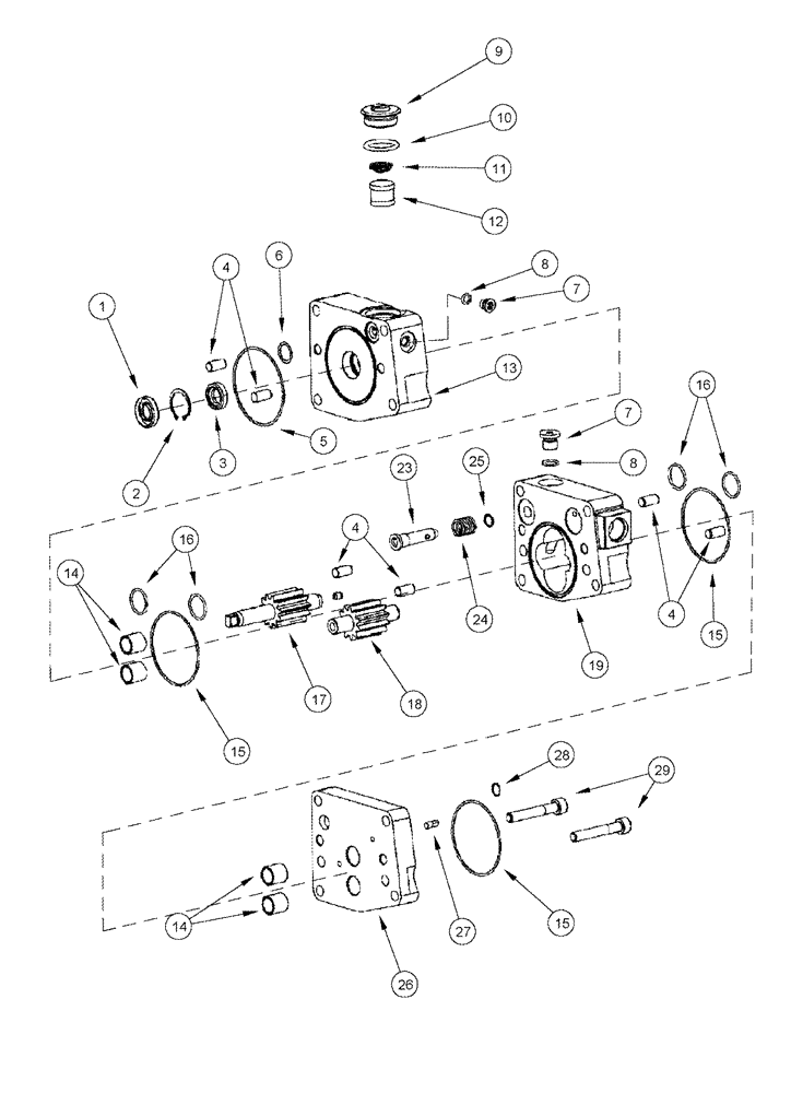
1

NSS

NOT SOLD SEPARAT

Seal

1шт.

2

NSS

NOT SOLD SEPARAT

Ring, Retaining

1шт.

3

NSS

NOT SOLD SEPARAT

Seal

1шт.

4

NSS

NOT SOLD SEPARAT

Pin, Dowel

6шт.

J4089074

REPAIR KIT

Seal, Fuel Injection Pump, Inc. 5, 6, 15 & 28

1шт.

5

J867642

O-RING,0.07" Thk x 2.489" ID, -37, Cl 5, 75 Duro

1шт.

6

J867641

O-RING,0.07" Thk x 0.551" ID, -15, Cl 5, 75 Duro

1шт.

7

J678610

PLUG

Inc. 8

2шт.

8

J678603

O-RING,2.2mm Thk x 9.3mm ID

1шт.

9

J4009979

CAP

1шт.

Before Fuel Injection Pump Serial Number 2542537.

1шт.

9

J4062462

CAP

1шт.

After Fuel Injection Pump Serial Number 2542537.

1шт.

10

237-8012

O-RING,0.116" Thk x 0.924" ID, -912, Cl 8, 90 Duro

1шт.

11

J70700

SPRING

1шт.

12

J146483

FILTER

1шт.

12

J3090769

SCREEN

Filter, 6TAA-9004

1шт.

STX325

1шт.

13

NSS

NOT SOLD SEPARAT

Cover

1шт.

14

NSS

NOT SOLD SEPARAT

Bushing

4шт.

15

J867645

O-RING,0.07" Thk x 2.364" ID

3шт.

16

J3066914

O-RING,0.07" Thk x 0.739" ID

4шт.

17

NSS

NOT SOLD SEPARAT

Shaft, Drive

1шт.

18

NSS

NOT SOLD SEPARAT

Shaft

1шт.

19

NSS

NOT SOLD SEPARAT

Housing

1шт.

A77972

KIT

Plunger, Inc. 23 - 25

1шт.

23

NSS

NOT SOLD SEPARAT

Plunger

1шт.

24

NSS

NOT SOLD SEPARAT

Spring

1шт.

25

NSS

NOT SOLD SEPARAT

Ring, Retaining

1шт.

26

NSS

NOT SOLD SEPARAT

Cover

1шт.

27

NSS

NOT SOLD SEPARAT

Pin

1шт.

28

J867480

O-RING,0.07" Thk x 0.239" ID, -10, Cl 5, 75 Duro

1шт.

29

NSS

NOT SOLD SEPARAT

Bolt

2шт.

Выбрано товаров: 0