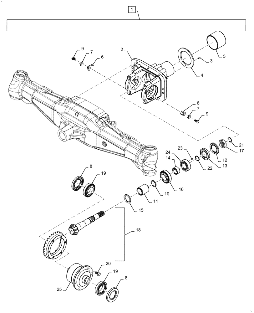
Запчасти Case IH FARMALL 60A (21.182.AG[02]) - FRONT AXLE DIFFERENTIAL SUPPORT (21) - TRANSMISSION

Схема запчастей Case IH FARMALL 60A - (21.182.AG[02]) - FRONT AXLE DIFFERENTIAL SUPPORT (21) - TRANSMISSION
7
12
1
19
13
22
7
24
9
5
10
17
9
19
4
8
21
6
14
20
18
23
25
11
16
6
2
8
15
3
FIT
1:1
100%

Артикул

Название

Примечание

Количество

1

84256094

FRONT AXLE

Incl 2 - 25

1шт.

2

84283973

SUPPORT

Differential, LSD

1шт.

3

4966244

PIN,5mm OD x 15mm L

Straight

1шт.

4

5136119

RING,90.3mm ID x 136mm OD x 5mm Thk

1шт.

5

5136120

BUSHING,90mm ID x 99.05mm OD x 72mm L

1шт.

6

4966243

ADJUSTING PLATE

2шт.

7

562659

PLATE

2шт.

8

4966240

BEARING LOCK NUT,M95 x 2, 15T

2шт.

9

15970521

BOLT,Hex, M10 x 1.25 x 20mm, Cl 8.8, Full Thd

2шт.

10

5101236

SHIM,35.00mm ID x 43.00mm OD x 3.50mm Thk

1шт.

10

5101237

SHIM,35.00mm ID x 43.00mm OD x 3.60mm T

1шт.

10

5101238

SHIM,35.00mm ID x 43.00mm OD x 3.70mm T

1шт.

10

5129161

SHIM,35.00mm ID x 43.00mm OD x 3.55mm T

1шт.

10

5129162

SHIM,35.00mm ID x 43.00mm OD x 3.65mm T

1шт.

10

5169313

SHIM,35.10 - 35.40mm ID x 43mm OD x 3.75mm Thk

1шт.

10

5169314

SHIM,35.10 - 35.40mm ID x 43mm OD x 3.80mm Thk

1шт.

10

5169315

SHIM,35.10 - 35.40mm ID x 43mm OD x 3.85mm Thk

1шт.

10

5169316

SHIM,35.10 - 35.40mm ID x 43mm OD x 3.90mm Thk

1шт.

10

5169317

SHIM,35.10 - 35.40mm ID x 43mm OD x 3.95mm Thk

1шт.

10

5169318

SHIM,35.1mm ID x 43mm OD x 4mm Thk

1шт.

10

5169319

SHIM,35.10 - 35.40mm ID x 43mm OD x 4.05mm Thk

1шт.

10

5169320

SHIM,35.1mm ID x 43mm OD x 4.1mm Thk

1шт.

10

5169321

SHIM,35.10 - 35.40mm ID x 43mm OD x 4.15mm Thk

1шт.

10

5169322

SHIM,35.10 - 35.40mm ID x 43mm OD x 4.20mm Thk

1шт.

10

5169323

SHIM,35.10 - 35.40mm ID x 43mm OD x 4.25mm Thk

1шт.

10

5169324

SHIM,35.10 - 35.40mm ID x 43mm OD x 4.30mm Thk

1шт.

10

5169325

SHIM,35.1mm ID x 43mm OD x 4.35mm Thk

1шт.

10

5169326

SHIM,35.10 - 35.40mm ID x 43mm OD x 4.40mm Thk

1шт.

10

5169327

SHIM,35.1mm ID x 43mm OD x 4.45mm Thk

1шт.

10

5169328

SHIM,35.10 - 35.40mm ID x 43mm OD x 4.50mm Thk

1шт.

10

5169329

SHIM,35.1mm ID x 43mm OD x 4.55mm Thk

1шт.

10

5169330

SHIM,35.1mm ID x 43mm OD x 4.6mm Thk

1шт.

10

5169331

SHIM,35.10 - 35.40mm ID x 43mm OD x 4.65mm Thk

1шт.

10

5169332

SHIM,35.10 - 35.40mm ID x 43mm OD x 4.70mm Thk

1шт.

10

5169333

SHIM,35.10 - 35.40mm ID x 43mm OD x 4.75mm Thk

1шт.

10

5169334

SHIM,35.10 - 35.40mm ID x 43mm OD x 4.80mm Thk

1шт.

11

5169235

SPACER,35.4mm ID x 42mm OD x 63.5mm L

1шт.

12

4997451

SEAL PROTECTION,45.4mm ID x 75mm OD x 1mm Thk

Disc Pinion Casing

1шт.

13

5135294

SEAL,45mm ID x 75mm OD x 12mm Thk

Double Lip

1шт.

14

5142026

RING,35.1mm ID x 45mm OD x 22mm L

Sealing, Bevel Pinion

1шт.

15

5087435

SHIM KIT

Washer

1шт.

15

5142027

SHIM,41.4mm ID x 58mm OD x 2.5mm Thk

1шт.

15

5142028

SHIM,41.4mm ID x 58mm OD x 2.6mm Thk

1шт.

15

5142029

SHIM,41.4mm ID x 58mm OD x 2.7mm Thk

1шт.

15

5142030

SHIM,41.4mm ID x 58mm OD x 2.8mm Thk

1шт.

15

5142031

SHIM,41.4mm ID x 58mm OD x 2.9mm Thk

1шт.

15

5142032

SHIM,41.4mm ID x 58mm OD x 3mm Thk

1шт.

15

5142033

SHIM,41.4mm ID x 58mm OD x 3.1mm Thk

1шт.

15

5142034

SHIM,41.4mm ID x 58mm OD x 3.2mm Thk

1шт.

15

5142035

SHIM,41.4mm ID x 58mm OD x 3.3mm Thk

1шт.

15

5142036

SHIM,41.4mm ID x 58mm OD x 3.4mm Thk

1шт.

15

5142037

SHIM,41.4mm ID x 58mm OD x 3.5mm Thk

1шт.

15

5142038

SHIM,41.4mm ID x 58mm OD x 3.6mm Thk

1шт.

15

5142039

SHIM,41.4mm ID x 58mm OD x 3.7mm Thk

1шт.

16

5143109

TAPERED BEARING,41.27mm x 82.55mm x 26.54mm

1шт.

17

5143242

RING NUT,M35 x 1.5

Bevel Pinion

1шт.

18

5167971

BEVEL GEAR,23T

Assy, For Spare Parts

1шт.

19

26799980

BEARING ASSY,Roller, 50mm ID x 90mm OD x 21.75mm W

Roller Tapered

2шт.

20

84393698

BOLT,Hex, M12 x 1.25 x 25mm, Cl 10.9

6шт.

21

11067776

SNAP RING,M29, Ext

1шт.

22

14454380

O-RING,31.47mm ID x 1.78" Width

Seal

1шт.

23

20419320

BALL,6.35mm OD

1шт.

24

26799950

TAPERED BEARING,35mm ID x 72mm OD x 18.25mm W

1шт.

25

5162456

DIFFERENTIAL

1шт.

Выбрано товаров: 64