Запчасти Case IH FARMALL 85C (27.106.AC[01]) - VAR - 390411 - DIFFERENTIAL (27) - REAR AXLE SYSTEM

Схема запчастей Case IH FARMALL 85C - (27.106.AC[01]) - VAR - 390411 - DIFFERENTIAL (27) - REAR AXLE SYSTEM
27.106.aa (05)
5
6
11
12
9
4
3
10
8
2
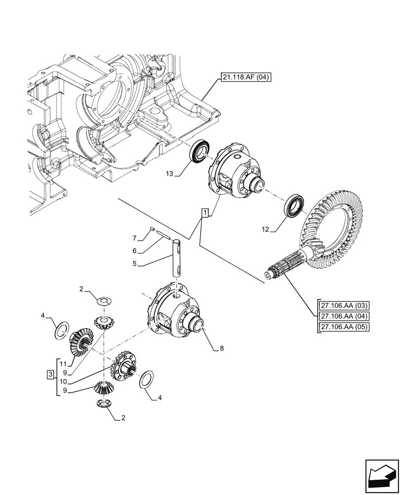
1
2
13
9
4
7
27.106.aa (03)
21.118.af (04)
27.106.aa (04)
FIT
1:1
100%

Артикул

Название

Примечание

Количество

1

NS

NOT SERVICED

ASSY, Incl 2 - 13

1шт.

2

4987975

THRUST WASHER,24mm ID x 48mm OD

1шт.

3

47137922

GEAR SET

ASSY, Incl 9 - 11

1шт.

4

5148936

THRUST WASHER,44mm ID x 66mm OD x 1.6mm Thk

2шт.

4

5148940

THRUST WASHER,44mm ID x 66mm OD x 1.4mm Thk

1шт.

4

5148939

THRUST WASHER,44mm ID x 66mm OD x 1.5mm Thk

1шт.

4

5148938

THRUST WASHER,44mm ID x 66mm OD x 1.7mm Thk

1шт.

4

5148937

THRUST WASHER,44mm ID x 66mm OD x 1.8mm Thk

1шт.

4

5167387

THRUST WASHER,44mm ID x 66mm OD x 1.9mm Thk

1шт.

4

5167388

THRUST WASHER,44mm ID x 66mm OD x 2mm Thk

1шт.

4

5181356

THRUST WASHER,44.00mm ID x 66.00mm OD x 2.1mm T

1шт.

4

5181357

THRUST WASHER,44.00mm ID x 66.00mm OD x 2.2mm T

1шт.

5

5148935

PIN,24mm OD x 144mm L

1шт.

6

5173242

ROLL PIN,6.5mm OD x 61mm L

1шт.

7

13807870

SET SCREW,Hex Soc, M8 x 14mm, Flat Pt

1шт.

8

5173490

HOUSING

1шт.

9

NSS

NOT SOLD SEPARAT

Pinion, Incl in 3

2шт.

10

NSS

NOT SOLD SEPARAT

Driven Sprocket, Incl in 3

1шт.

11

NSS

NOT SOLD SEPARAT

Driven Sprocket, Incl in 3

1шт.

12

26799980

BEARING ASSY,Roller, 50mm ID x 90mm OD x 21.75mm W

1шт.

13

24903450

TAPERED BEARING,60mm ID x 95mm OD x 23mm W

1шт.

Выбрано товаров: 21