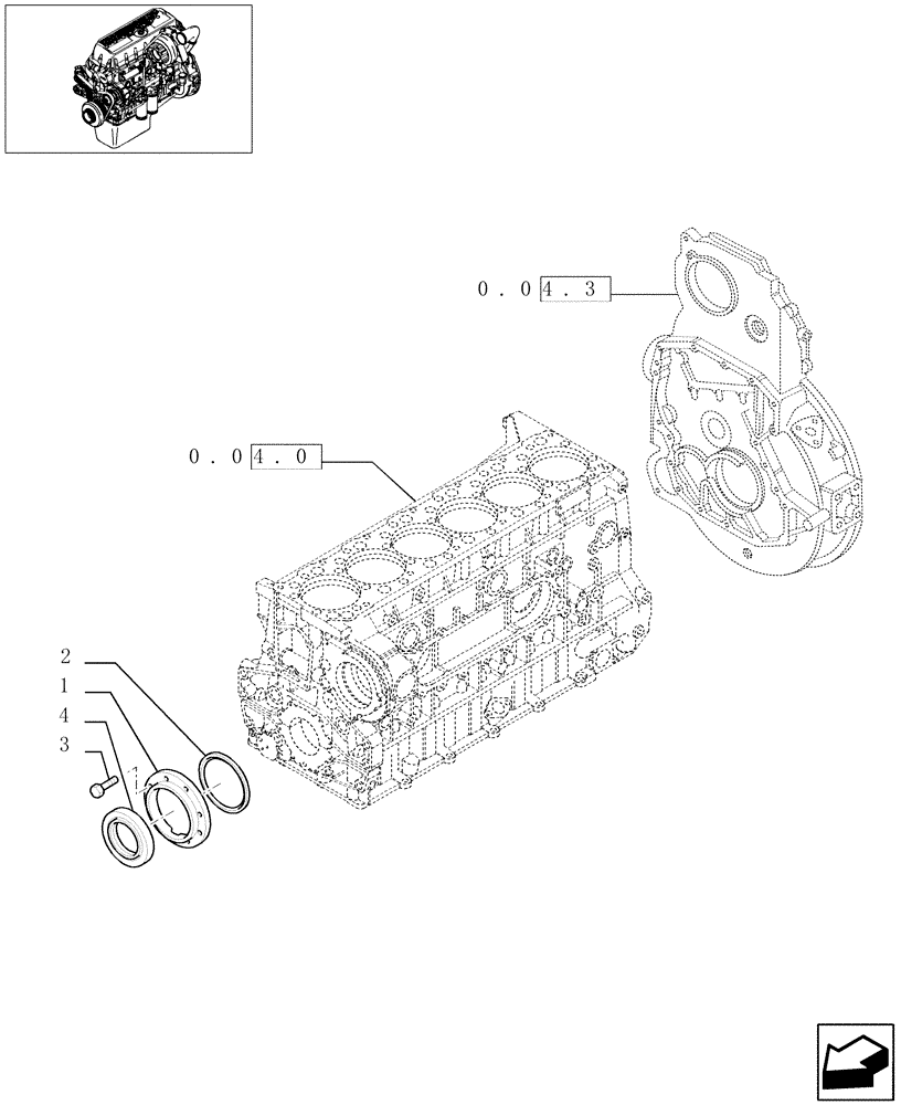
Запчасти Case F3AE0684D B001 (0.04.3/1[01]) - ENGINE BLOCK FRONT COVER (500308638)

Схема запчастей Case F3AE0684D B001 - (0.04.3/1[01]) - ENGINE BLOCK FRONT COVER (500308638)
3
0.04.3
0.04.0
4
2
1
FIT
1:1
100%

Артикул

Название

Примечание

Количество

1

500304671

COVER

1шт.

2

14467281

O-RING,0.139" Thk x 5.484" ID, -254, Cl 7, 75 Duro

1шт.

3

2852100

FLANGE BOLT,Hex, M8 x 1.25 x 16mm

8шт.

4

40102683

GASKET

1шт.

Выбрано товаров: 4