Запчасти Case CX330 (03-08) - FUEL INJECTION PUMP (03) - FUEL SYSTEM

Схема запчастей Case CX330 - (03-08) - FUEL INJECTION PUMP (03) - FUEL SYSTEM
8
14
29
9
19
1
28
10
4
26
23
15
16
25
12
18
3
13
5
2
7
8
15
6
11
4
24
7
27
4
15
16
14
17
FIT
1:1
100%

Артикул

Название

Примечание

Количество

.

6TAA-8304 EMISSIONS CERTIFIED ENGINE

1шт.

J4089074

REPAIR KIT

Gear Pump; Incl. 1 - 29

1шт.

JR4089074

REMAN-GEAR

Reman for New P/N J4089074

1шт.

JC4089074

CORE-INJECTION PUMP

Return Part Number

1шт.

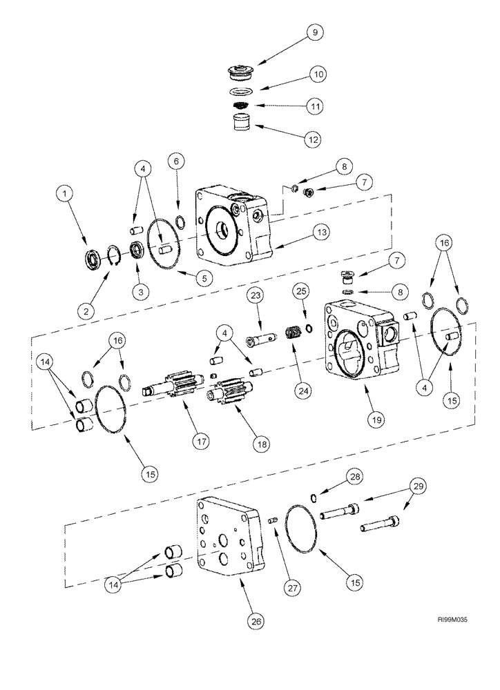
1

NSS

NOT SOLD SEPARAT

Seal

1шт.

2

NSS

NOT SOLD SEPARAT

Ring, Retaining

1шт.

3

NSS

NOT SOLD SEPARAT

Seal

1шт.

4

NSS

NOT SOLD SEPARAT

Pin, Dowel

6шт.

5

J867642

O-RING,0.07" Thk x 2.489" ID, -37, Cl 5, 75 Duro

1шт.

6

J867641

O-RING,0.07" Thk x 0.551" ID, -15, Cl 5, 75 Duro

1шт.

7

J678610

PLUG

Incl. 8

2шт.

8

J678603

O-RING,2.2mm Thk x 9.3mm ID

1шт.

9

J4009979

CAP

1шт.

10

237-8012

O-RING,0.116" Thk x 0.924" ID, -912, Cl 8, 90 Duro

1шт.

11

J70700

SPRING

1шт.

12

J146483

FILTER

Filter

1шт.

13

NSS

NOT SOLD SEPARAT

Cover

1шт.

14

NSS

NOT SOLD SEPARAT

Bushing

4шт.

15

J867645

O-RING,0.07" Thk x 2.364" ID

3шт.

16

J3066914

O-RING,0.07" Thk x 0.739" ID

4шт.

17

NSS

NOT SOLD SEPARAT

Shaft, Drive

1шт.

18

NSS

NOT SOLD SEPARAT

Shaft

1шт.

19

NSS

NOT SOLD SEPARAT

Housing

1шт.

A77972

KIT

Plunger; Incl. 23 - 25

1шт.

23

NSS

NOT SOLD SEPARAT

Plunger

1шт.

24

NSS

NOT SOLD SEPARAT

Spring

1шт.

25

NSS

NOT SOLD SEPARAT

Ring, Retaining

1шт.

26

NSS

NOT SOLD SEPARAT

Cover

1шт.

27

NSS

NOT SOLD SEPARAT

Pin

1шт.

28

J867480

O-RING,0.07" Thk x 0.239" ID, -10, Cl 5, 75 Duro

1шт.

29

NSS

NOT SOLD SEPARAT

Bolt

2шт.

Выбрано товаров: 31